Fernsehstandgerät 640
Grundig (Radio-Vertrieb, RVF, Radiowerke); Fürth/Bayern
- Country
- Germany
- Manufacturer / Brand
- Grundig (Radio-Vertrieb, RVF, Radiowerke); Fürth/Bayern
- Year
- 1953/1954
- Category
- Television Receiver (TV) or Monitor
- Radiomuseum.org ID
- 19421
-
- alternative name: Grundig Portugal || Grundig USA / Lextronix
Click on the schematic thumbnail to request the schematic as a free document.
- Number of Tubes
- 23
- Valves / Tubes
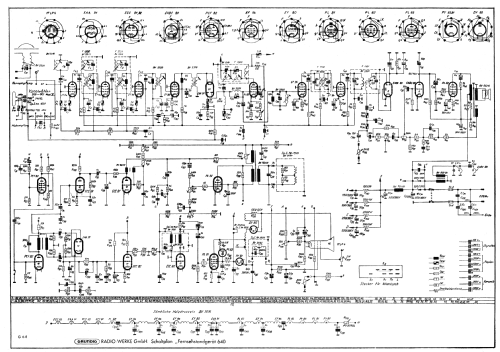
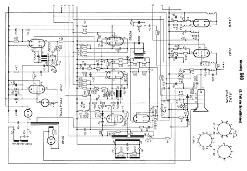
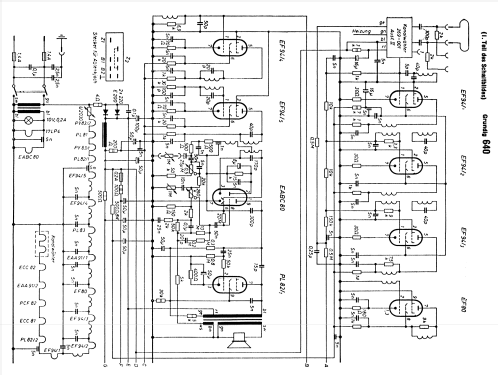
- PCC84 ECC81 EF94 EF94 EF94 EF80 EAA91 PL83 EF94 EF94 EABC80 PL82 PCF82 ECC81 ECC81 PL82 EAA91 ECC82 PL81 PY81 PY83 DY80 17LP4 or Bs42R-6
- Number of Transistors
- Main principle
- Superhet with RF-stage
- Wave bands
- VHF incl. FM and/or UHF (see notes for details)
- Power type and voltage
- Alternating Current supply (AC) / 220 Volt
- Loudspeaker
- Permanent Magnet Dynamic (PDyn) Loudspeaker (moving coil) / Ø 25 cm = 9.8 inch
- Power out
- 4 W (unknown quality)
- Material
- Wooden case
- from Radiomuseum.org
- Model: Fernsehstandgerät 640 - Grundig Radio-Vertrieb, RVF,
- Shape
- Console with any shape - in general
- Dimensions (WHD)
- 550 x 870 x 530 mm / 21.7 x 34.3 x 20.9 inch
- Notes
-
Empfangsbereich: 10 Kanäle im VHF Band I und III.
Anschluss für Kabelfernbedienung: "Fernregler" für Helligkeit und Lautstärke
- Price in first year of sale
- 1,295.00 DM
- External source of data
- Erb
- Circuit diagram reference
- Lange Schaltungen der Funkindustrie, Buch 5
- Literature/Schematics (1)
- -- Original-techn. papers.
- Literature/Schematics (2)
- Funktechnik 23/1953, S732 - Fs-Geräte 1953/54
- Other Models
-
Here you find 6251 models, 5496 with images and 4255 with schematics for wireless sets etc. In French: TSF for Télégraphie sans fil.
All listed radios etc. from Grundig (Radio-Vertrieb, RVF, Radiowerke); Fürth/Bayern