Konzert-3D-dyn (U)
Körting-Radio; Leipzig, später Grassau
- País
- Alemania
- Fabricante / Marca
- Körting-Radio; Leipzig, später Grassau
- Año
- 1955 ?
- Categoría
- Radio - o Sintonizador pasado WW2
- Radiomuseum.org ID
- 260728
-
- alternative name: Dietz & Ritter GmbH, Dr.
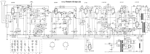
Haga clic en la miniatura esquemática para solicitarlo como documento gratuito.
- Numero de valvulas
- 9
- Principio principal
- Superheterodino en general; ZF/IF 472/10700 kHz
- Número de circuitos sintonía
- 9 Circuíto(s) AM 12 Circuíto(s) FM
- Gama de ondas
- OM, OL, 2 x OC y FM
- Tensión de funcionamiento
- Red: Corriente alterna (CA, Inglés = AC) / 110; 127; 220; 240 Volt
- Altavoz
- 4 Altavoces
- Material
- Madera
- de Radiomuseum.org
- Modelo: Konzert-3D-dyn - Körting-Radio; Leipzig, später
- Forma
- Sobremesa de botonera.
- Anotaciones
-
Bandbreite regelbar. Ferritantenne drehbar.
Triodensystem der EABC80 ist letzte ZF-Verstärkerstufe (neutralisiert).
NF-Vorstufe und Phasendrehung mit zweiter ECH81.Siehe auch Körting Konzert 430W ohne 3D-Klang.
- Mencionado en
- Lange, Schaltungen der Funkindustrie (Band 6, Seite 166 + 167)
- Autor
- Modelo creado por un miembro de D. Ver en "Modificar Ficha" los participantes posteriores.
- Otros modelos
-
Donde encontrará 822 modelos, 675 con imágenes y 473 con esquemas.
Ir al listado general de Körting-Radio; Leipzig, später Grassau