Löwe-Opta 1965GW
Loewe-(Opta); Deutschland
- Pays
- Allemagne
- Fabricant / Marque
- Loewe-(Opta); Deutschland
- Année
- 1941/1942
- Catégorie
- Radio - ou tuner d'après la guerre 1939-45
- Radiomuseum.org ID
- 2660
-
- alternative name: Löwe Radio
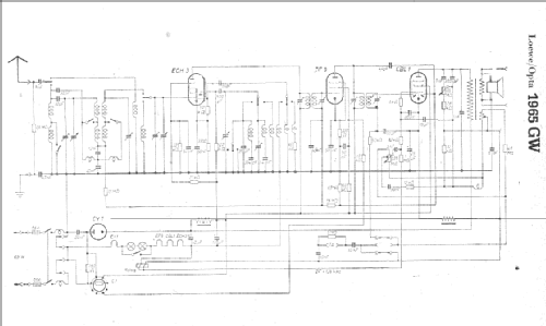
Cliquez sur la vignette du schéma pour le demander en tant que document gratuit.
- No. de tubes
- 4
- Principe général
- Super hétérodyne (en général); FI/IF 128 kHz
- Circuits accordés
- 7 Circuits MA (AM)
- Gammes d'ondes
- PO, GO et OC
- Tension / type courant
- Appareil tous courants (CA / CC)
- Haut-parleur
- HP dynamique à aimant permanent + bobine mobile
- Matière
- Boitier en bois
- De Radiomuseum.org
- Modèle: Löwe-Opta 1965GW - Loewe-Opta; Deutschland
- Forme
- Modèle de table profil bas (grand modèle).
- Dimensions (LHP)
- 490 x 360 x 250 mm / 19.3 x 14.2 x 9.8 inch
- Remarques
-
Ch= Philips 655U. Sogenanntes Verlagerungsgerät, gefertigt von Philips - Eindhoven (NL).
Die Bezeichnung "Löwe-Opta" wird in diesem Fall ausdrücklich genannt, weil die Firma von 1941-1942 den Namen "Löwe Radio" trug (siehe Firmengeschichte und Rückwand des Gerätes).
- Poids net
- 9 kg / 19 lb 13.2 oz (19.824 lb)
- Source
- Radiokatalog Band 1, Ernst Erb
- Source du schéma
- Lange+Schenk+FS-Röhrenbestückung
- Littérature
- Funkgeschichte der GFGF (Nr. 234, 235, 236 (2017))
- Index des illustrations
- Das Modell ist im «Radiokatalog» (Erb) abgebildet.
- D'autres Modèles
-
Vous pourrez trouver sous ce lien 1645 modèles d'appareils, 1382 avec des images et 1188 avec des schémas.
Tous les appareils de Loewe-(Opta); Deutschland
Collections
Le modèle Löwe-Opta fait partie des collections des membres suivants.