TV-1921
Phonola SA, FIMI; Saronno (VA)
- Country
- Italy
- Manufacturer / Brand
- Phonola SA, FIMI; Saronno (VA)
- Year
- 1962 ?
- Category
- Television Receiver (TV) or Monitor
- Radiomuseum.org ID
- 176428
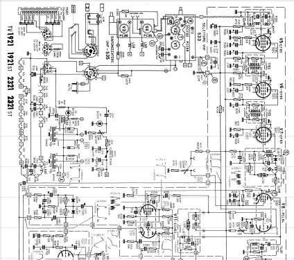
Click on the schematic thumbnail to request the schematic as a free document.
- Number of Tubes
- 17
- Valves / Tubes
- PCC88 PCF80 PC88 PC86 EF80 EF80 EF80 PCL84 EF80 PCL82 ECH83 PCL85 ECL80 PL36 PY81 DY87 AW47-91
- Main principle
- Superheterodyne (common)
- Wave bands
- VHF incl. FM and/or UHF (see notes for details)
- Power type and voltage
- Alternating Current supply (AC) / 100-270 Volt
- Loudspeaker
- Permanent Magnet Dynamic (PDyn) Loudspeaker (moving coil)
- from Radiomuseum.org
- Model: TV-1921 - Phonola SA, FIMI; Saronno VA
- Shape
- Tablemodel, with any shape - general.
- Notes
- Cinescopio 19" 110° tipo sferico-elettrostatico.
VHF (S33) UHF (S34).
FI 3 stadi 40 MHz sistema intercarrier.
Commutatore programmi a pulsanti.
- Literature/Schematics (1)
- -- Schematic (Schemario dei Televisori Phonola 1952 al 1964)
- Author
- Model page created by Eduard Abfalterer. See "Data change" for further contributors.
- Other Models
-
Here you find 717 models, 464 with images and 545 with schematics for wireless sets etc. In French: TSF for Télégraphie sans fil.
All listed radios etc. from Phonola SA, FIMI; Saronno (VA)