- País
- Alemania
- Fabricante / Marca
- Rafena Werke Radeberg, VEB; Radeberg (Ostd.)
- Año
- 1961/1962
- Categoría
- Televisión (TV) o monitor
- Radiomuseum.org ID
- 94779
-
- Brand: VEB Rafena; Radeberg (Ostd.)
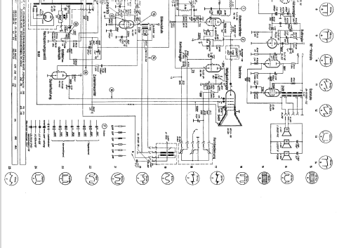
Haga clic en la miniatura esquemática para solicitarlo como documento gratuito.
- Numero de valvulas
- 20
- Principio principal
- Superheterodino en general; ZF/IF 38900 kHz
- Gama de ondas
- Bandas de recepción puestas en notas.
- Tensión de funcionamiento
- Red: Corriente alterna (CA, Inglés = AC) / 110; 127; 220; 240 Volt
- Altavoz
- Altavoz dinámico (de imán permanente)
- Material
- Madera
- de Radiomuseum.org
- Modelo: Record 7 - Rafena Werke Radeberg, VEB;
- Forma
- Sobremesa apaisado (tamaño grande).
- Anotaciones
- Erstes Rafena 53-cm-Gerät mit 110° Bildröhre und Bandfilterkopplung, Röhren mehrfach vorhanden, VHF-Tuner.
- Procedencia de los datos
- -- Original-techn. papers.
- Autor
- Modelo creado por un miembro de A. Ver en "Modificar Ficha" los participantes posteriores.
- Otros modelos
-
Donde encontrará 111 modelos, 100 con imágenes y 75 con esquemas.
Ir al listado general de Rafena Werke Radeberg, VEB; Radeberg (Ostd.)
Colecciones
El modelo Record 7 es parte de las colecciones de los siguientes miembros.