- Paese
- Germania
- Produttore / Marca
- Stern-Radio Berlin, VEB, RFT, (Kombinat); - vorm. Phonetika Radio (Ostd.) - vorm. Loewe Opta AG
- Anno
- 1956–1958
- Categoria
- Radio (o sintonizzatore del dopoguerra WW2)
- Radiomuseum.org ID
- 16625
-
- alternative name: Phonetika Radio Berlin, VEB; Berlin, (Ostd.)
Clicca sulla miniatura dello schema per richiederlo come documento gratuito.
- Numero di tubi
- 7
- Principio generale
- Supereterodina (in generale); ZF/IF 473/10700 kHz
- N. di circuiti accordati
- 6 Circuiti Mod. Amp. (AM) 9 Circuiti Mod. Freq. (FM)
- Gamme d'onda
- Onde medie (OM), lunghe (OL) e MF (FM).
- Tensioni di funzionamento
- Alimentazione a corrente alternata (CA) / 110, 127, 220, 240 Volt
- Altoparlante
- AP magnetodinamico ellittico (magnete permanente e bobina mobile).
- Potenza d'uscita
- 3 W (qualità ignota)
- Materiali
- Mobile in legno
- Radiomuseum.org
- Modello: Super Potsdam W - Stern-Radio Berlin, VEB, RFT,
- Forma
- Soprammobile basso, con andamento orizzontale (grosse dimensioni).
- Dimensioni (LxAxP)
- 470 x 320 x 225 mm / 18.5 x 12.6 x 8.9 inch
- Annotazioni
-
[596-24B] Variometerabstimmung AM und FM! Verschiedene Holzoberflächen, auch in lackschwarz.
Gehäuse-Varianten mit gleichem Chassis: Potsdam K und Potsdam K II
Moderne Gehäuse (abgerundet / kantig) von der Kunsthochschule Berlin-Weißensee entworfen.
- Peso netto
- 9.1 kg / 20 lb 0.7 oz (20.044 lb)
- Prezzo nel primo anno
- 400.00 DM
- Fonte esterna dei dati
- E. Erb 3-907007-36-0
- Fonte dei dati
- Radiokatalog Band 2, Ernst Erb
- Bibliografia
- -- Original-techn. papers. (Funkverlag Hein, Service-DVD)
- Letteratura / Schemi (1)
- Radio und Fernsehen (DDR) (1957 Nr. 7 und 23)
- Altri modelli
-
In questo link sono elencati 234 modelli, di cui 216 con immagini e 175 con schemi.
Elenco delle radio e altri apparecchi della Stern-Radio Berlin, VEB, RFT, (Kombinat); - vorm. Phonetika Radio (Ostd.) - vorm. Loewe Opta AG
Collezioni
Il modello Super Potsdam fa parte delle collezioni dei seguenti membri.
Discussioni nel forum su questo modello: Stern-Radio Berlin,: Super Potsdam W
Argomenti: 2 | Articoli: 6
Reparatur Potsdam W
Wer kann mir bei der Reparatur des Gerätes behilflich sein?
Ausgangslage:
- starkes Brummen
- schwacher UKW-Empfang möglich
- kein MW/LW Empfang (Ferritkerne der Variometerspulen fehlten)
- krachendes Lautstärkepoti (R26/R25)
- kaum sichtbares Leuchten der EM80
Erste Massnahmen:
Überprüfen der Netzteilelkos:
- 1 Elko taub (C54), zu hoher ESR-Wert des anderen (C55)> Austausch der beiden Elkos im Gehäuse des Orginalbechers, Ersatz durch neue Elkos.
- Austausch von Elko C60
- Austausch von C45, C46, C51, C53
- Reinigung von Poti R25/26. Die Nieten wurden durch Schrauben M2,6 ersetzt.
- Ersatz des Skalenseiles und Wiedereinsetzen der Ferritkerne, die ich wunderbarer Weise in einer Schachtel mit alten Röhren fand, die mir die Vorbesitzerin des Radios mitgegeben hatte.
- Austausch der EM80
- Überprüfung der restlichen Röhren mit RPG Funke W19
- Austausch der EABC80 wegen schwacher Emission der Triode
- die ECH81 schwächelt etwas bei der Triode (ca. 50% Emission), mangels Ersatz in der Schaltung belassen.
Ergebniss:
NF-Teil funktioniert nun ordentlich, die Spannungen dort sind in der Toleranz. UKW-Empfang im Keller zufriedenstellend mit 2 Dipol-Drähten am Antenneneingang
Die Abstimmanzeige funktioniert soweit ordentlich.
Mittelwelle und Langwelle sind jedoch nur äusserst schwach zu empfangen, d.h. nur mit einem 10m Draht als Antenne und Erdung sind einige Sender, vor allem nachts hörbar. Der Skalenbereich stimmt natürlich auch noch nicht, macht aber Hoffnung auf die Möglichkeit des korrekten Abgleichs.
Ich würde nun gerne MW und LW besser zum Laufen bringen und würde mich über Hilfe dazu freuen. Mir steht leider kein Prüfsender zur Verfügung. Ein NF-Generator bis 100 kHz Sinus/Rechteck und der lange Draht ("Antenne") ist alles. Dazu bei Bedarf noch 2-Kanal-Oszi, Frequenzmeßgerät, div. Röhrenvoltmeter, Digital-Multimeter.
Beim Versuch mit dem Rechteckgenerator bei 100 kHz etwas HF einzuspeisen ergaben sich beim leichte Verstimmen des Generators Frequenzanzeigen zwischen 468 kHz und 472 kHz hinter den ZF-Filtern. Sollte das nicht etwas weniger sein?
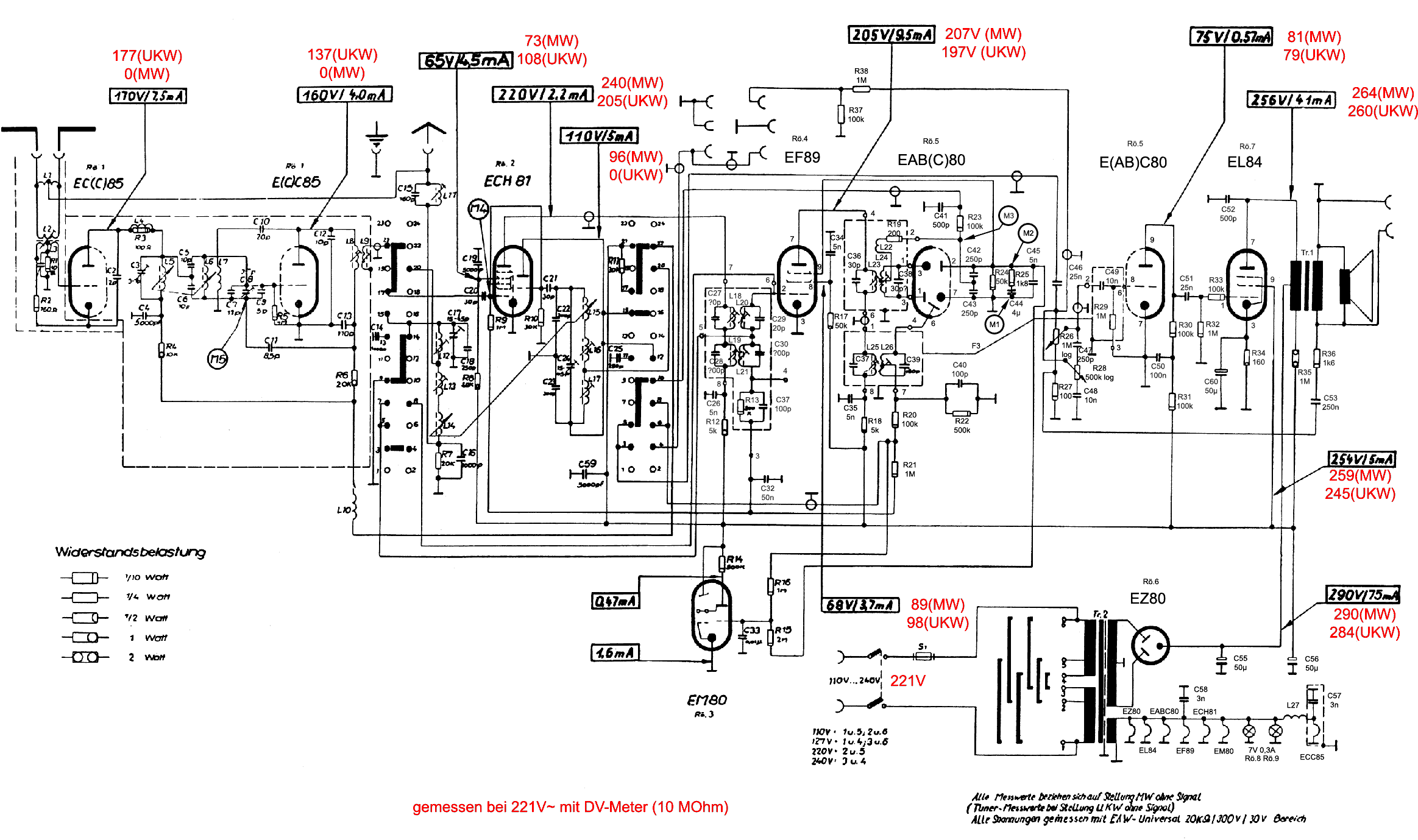
Wer kann mir sagen, wie ich vorgehen könnte? Die Meßwerte der Spannungen habe ich in folgenden überarbeiteten Schaltplan eingetragen: Das Original des RM ist leider teilweise kaum/nicht leserlich. Vielleicht hat auch jemand eine Abgleichanleitung?
freundliche Grüße
Martin Renz
Allegati
- Schaltplan mit Messwerten (160 KB)
Martin Renz, 04.Jan.05
Hallo Radiofreunde,
beim Restaurieren eines Potsdam W von Stern Radio stehe ich etwas auf dem "Schlauch":
Laut Schaltplan handelt es sich um eine Abstimmung mittels Variometerspulen. Der Verlauf des Skalenseiles durch die 2 gekennzeichneten Spulen legt dies auch nahe. Ich hätte nun irgendeinen Ferritkern oder ähnliches auf dem Skalenseil vermutet, mit dessen Hilfe die Spulen verstimmt werden. Es ist da aber nichts als gähnende Leere. Auch keine Spuren, dass da mal was war. Kann mir jemand einen Tip geben, wie die Abstimmung funktioniert (hat)? Da das Gerät augenscheinlich unverbastelt ist, kann ich mir keinen Reim darauf machen.
Der UKW-Teil funktioniert wohl ähnlich, da aber im Blechgehäuse abgeschirmt, ist er nicht ohne weiteres einzusehen. Der Empfang auf UKW ist in Ordnung, soweit ich dies bis jetzt feststellen kann. (Es gibt noch einige Wackler um den Lautstärke/Tonsteller, denen ich zunächst nachgehen muß, u.a wegen defektem C)
Ich würde mich über Tips freuen
viele Grüße
Martin Renz
Martin Renz, 23.Jun.04