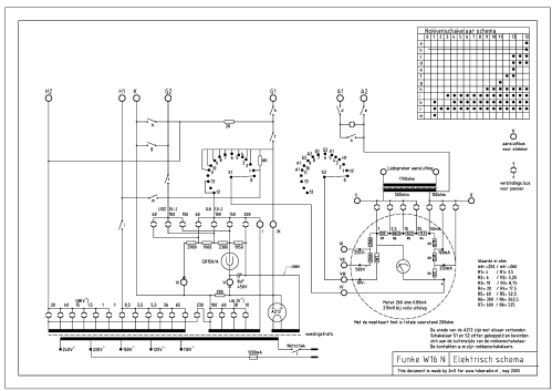
Röhrenprüfgerät W16N
Funke, Max, Weida/Thür. (Ostd.) (D) später Adenau
- Pays
- Allemagne
- Fabricant / Marque
- Funke, Max, Weida/Thür. (Ostd.) (D) später Adenau
- Année
- 1939 ?
- Catégorie
- Appareils de mesure et de dépannage (matériel de labo)
- Radiomuseum.org ID
- 137446
-
- alternative name: Prüfgerätewerk Weida, VEB || WETRON Weida, VEB; Weida, ;(Ostd.) (D) ex Funke
- Brand: Bittorf & Funke
Cliquez sur la vignette du schéma pour le demander en tant que document gratuit.
- No. de tubes
- 1
- Gammes d'ondes
- - sans
- Tension / type courant
- Alimentation Courant Alternatif (CA) / 110; 125; 150; 220; 240 Volt
- Haut-parleur
- - - Pas de sortie basse fréquence
- Matière
- Boitier en bois
- De Radiomuseum.org
- Modèle: Röhrenprüfgerät W16N - Funke, Max, Weida/Thür. Ostd.
- Forme
- Modèle de table générique
- Remarques
-
Weiterentwicklung des Funke W16, benötigt keine Flachbatterie mehr für Prüfspannung. - Auch als Koffer mit Kunstleder bezogen.
- Littérature
- Schaarschmidt "Max Funke KG"
- Auteur
- Modèle crée par Wolfgang Eckardt. Voir les propositions de modification pour les contributeurs supplémentaires.
- D'autres Modèles
-
Vous pourrez trouver sous ce lien 72 modèles d'appareils, 70 avec des images et 41 avec des schémas.
Tous les appareils de Funke, Max, Weida/Thür. (Ostd.) (D) später Adenau
Collections
Le modèle Röhrenprüfgerät fait partie des collections des membres suivants.
Contributions du forum pour ce modèle: Funke, Max, Weida/Th: Röhrenprüfgerät W16N
Discussions: 3 | Publications: 10
Hallo liebe Freunde der Röhrentechnik!
Bin gerade dabei ein Funke W16n zu reinigen und wieder in Schuß zu bringen. Dabei ist mir folgendes aufgefallen: Der große Drehschalter rastet nur an zwei Stellungen ein und zwar am Anfang (Stellung 1) und am Ende (Stellung 13). Dazwischen läßt sich der Schalte "stufenlos" drehen. Ist das normal oder ist der Schalter defekt?
Bisher hatte ich nur mit dem Funke W19 zu tun und da rastet der Drehschalter an jeder Stellung. Im Gegensatz zum gut dokumentierten Funke W19 findet man für das W16 leider nur spärliche technische Infos.
Viele Grüße
Frank
Frank Ebinger, 08.Jul.14
Here is a short video how tubes are tested on this device.
First datacard has to be found and placed on the connector table and then connections are made to the correct socket by inserting connector plugs through the holes in the card. Then knob is turned first to test filament, then short connections are tested between various electrodes of tube and last 2 positions are for cathode emission testing at the correct voltage indicated on the card. First Screen grid bias of -4,5 is used and lastly 0V bias indicates the tube maximum anode current. On the card it is written at what currents tube is unusable, usable, good. Pretty obvious and simple.
Peep Rada, 28.Jan.14
Hallo,
ich habe ein Funke W16, dass sich durch eine zusätzliche Fassung neben dem Spannungswähler von den hier angelegten Modellen W16 und W16N unterscheidet. Die Fassung ist nicht nachträglich eingebaut worden. Ersichtlich ist dies durch den sauberen Ausschnitt im Gehäuse, die Verwendung gleicher Schrauben und Schraubensicherungslack wie bei den anderen Fassungen sowie den nicht modifizierten Kabelbaum.
Das Baujahr könnte laut Druck der im Deckel eingeklebten Röhrentabelle 1944 sein. Der Trafo weist ein Datum von 1943 auf. Das Gerät besitzt keine Batterie für die Elektrodenschlussprüfung.
Sollte dieses Gerät als neues Modell angelegt werden? Falls ja, unter welchem Namen?
Im Gerät befindet sich auch ein separater Adapter für die Stahlröhrenfassung. Auf diesen Adapter befinden sich vier Röhrenfassungen: zwei Miniatur-7-Stift (B7G, USA 1940, Pico-7), eine Rimlock sowie eine Noval-9-Stift (B9A, USA, Pico-9). Der Kartensatz ist um ca. 180 Stück für A-,D-,E-,H-,P-,U- und einige US-Röhren erweitert.
Dieser ist sicherlich später hinzugekommen.
Pièces jointes
- Zusaetzliche Fassung (94 KB)
- Fassung unten (114 KB)
- Datum 1 (70 KB)
- Datum 2 (123 KB)
Giovanni Cucuzzella, 13.Feb.09