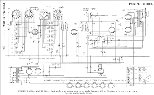
BI693/A
Philips Italy; Milano (MI)
- Land
- Italien / Italy
- Hersteller / Marke
- Philips Italy; Milano (MI)
- Jahr
- 1951/1952
- Kategorie
- Rundfunkempfänger (Radio - oder Tuner nach WW2)
- Radiomuseum.org ID
- 99920
Klicken Sie auf den Schaltplanausschnitt, um diesen kostenlos als Dokument anzufordern.
- Anzahl Röhren
- 8
- Hauptprinzip
- Superhet allgemein; ZF/IF 468 kHz
- Anzahl Kreise
- 6 Kreis(e) AM
- Wellenbereiche
- Mittelwelle und mehr als 2 x Kurzwelle.
- Betriebsart / Volt
- Wechselstromspeisung / 110; 125; 140; 160; 170; 220 Volt
- Lautsprecher
- Dynamischer LS, keine Erregerspule (permanentdynamisch) / Ø 21.5 cm = 8.5 inch
- Material
- Gerät mit Holzgehäuse
- von Radiomuseum.org
- Modell: BI693/A - Philips Italy; Milano MI
- Form
- Tischgerät-gross, - Querformat (breiter als hoch oder quadratisch).
- Abmessungen (BHT)
- 590 x 410 x 260 mm / 23.2 x 16.1 x 10.2 inch
- Bemerkung
- Wave bands: BC, 6x SW.
Gamme d'onda: medie e 6 corte.
L'altezza si intende con la scala posizionata sulle OM. Sulle OC 6 l'altezza aumenta di circa 70 mm, poichè cambiando gamma la scala parlante si alza.
- Originalpreis
- 69,000.00 ITL
- Datenherkunft
- Guida Pratica Antique Radio II (2000)
- Literatur/Schema (1)
- Schemi di apparecchi radio ( Ravalico 1953 ) (pag. 214-215)
- Autor
- Modellseite von Alessandro De Poi angelegt. Siehe bei "Änderungsvorschlag" für weitere Mitarbeit.
- Weitere Modelle
-
Hier finden Sie 464 Modelle, davon 397 mit Bildern und 329 mit Schaltbildern.
Alle gelisteten Radios usw. von Philips Italy; Milano (MI)
Forumsbeiträge zum Modell: Philips Italy;: BI693/A
Threads: 1 | Posts: 21
Buonasera a tutti,
ho un problema con la riparazione di questo modello.
Monta quello che sembra un push-pull di EL41. togliendone una l'apparecchio si ammutolisce, togliendo l'altra l'apparecchio funziona bene.
La parte triodo della EBC41, secondo me, non è collegato come invertitore di fase, avendo il catodo a massa. La polarizzazione negativa delle griglie controllo delle EL41 proviene dallo 0 dell'AT, collegata ain seguito a massa da due resistenze, una do 68 Ohm e l'altra di 33 Ohm e filtrata con un condensatore elettrolitico da 100 µF.
Alla griglia di una EL41¹ la tensione negativa viene portata da una resistenza da 47 KOhm, prosegue con una resistenza da 680KOhm ed infine con una resistenza da 1 KOhm polarizza la griglia della EL42² dove è collegato il condensatore di accoppiamento da 10 Kpf con la placca della EBC41.
Con l'oscilloscopio ho misurato - 6 V sulla griglia EL41¹ e - 2 V sulla EL41 ². Ho sostituito le due finali con due valvole nuove, ma il difetto resta.
Se tolgo la EL41 ² l'apparecchio funziona, se tolgo la EL41 ¹ resta muto.
Ho immesso un segnale sull'antenna tramite l'oscillatore modulato, con l'oscilloscopio a doppia traccia sono andato a misurare sulle due griglie controllo, sulla EL41¹ vedo il segnale mentre sull'altra ho la traccia piatta.
Sulle placche delle finali ho due segnali sfasati di circa 180°.
La potenza d'uscita ed il suono sono buoni, ma non certo come ci si può aspettare da due EL41.Il catodo delle due finali è collegato insieme ed è, tramite un secondario del TU a varie prese, collegato ai potenziometri del volume e del tono. Ho controllato tutti i componenti, le tensioni sono quelle indicate nello schema, ma non riesco a farlo funzionare come si deve.Chi può mi aiuti.
Saluti Fabio Masetti
Fabio Masetti, 29.Nov.11