• Anno
  • 1939/1940
  • Categoria
  • Radio (o sintonizzatore del dopoguerra WW2)
  • Radiomuseum.org ID
  • 4166

Clicca sulla miniatura dello schema per richiederlo come documento gratuito.

 Specifiche tecniche

  • Numero di tubi
  • 7
  • Principio generale
  • Supereterodina con stadio RF
  • N. di circuiti accordati
  • 7 Circuiti Mod. Amp. (AM)
  • Gamme d'onda
  • Onde medie (OM), lunghe (OL) e 2 onde corte (2 x OC).
  • Tensioni di funzionamento
  • Alimentazione a corrente alternata (CA) / 110-240 Volt
  • Altoparlante
  • AP elettrodinamico (bobina mobile e bobina di eccitazione/di campo)
  • Materiali
  • Mobile in legno
  • Radiomuseum.org
  • Modello: D770WKK - Telefunken Deutschland TFK,
  • Forma
  • Soprammobile con pulsantiera/tastiera.
  • Dimensioni (LxAxP)
  • 680 x 430 x 335 mm / 26.8 x 16.9 x 13.2 inch
  • Annotazioni
  • 8 Tasten regelbare Bandbreite.
  • Peso netto
  • 23.8 kg / 52 lb 6.8 oz (52.423 lb)
  • Fonte dei dati
  • Radiokatalog Band 1, Ernst Erb
  • Riferimenti schemi
  • Lange + Schenk
  • Letteratura / Schemi (1)
  • K. Opperskalski; FunkGeschichte Nr. 122 (1998), S. 294 ff
  • Letteratura / Schemi (2)
  • Telefunken Werkstattbuch 1939/40
  • Bibliografia immagini
  • Eine Abbildung findet sich im Doppelband "Radios von gestern"

 Collezioni | Musei | Letteratura

 Forum

Discussioni nel forum su questo modello: Telefunken: D770WKK

Argomenti: 5 | Articoli: 15

Restauration Telefunken D770WKK

„Ich hab‘ da ein interessantes Gerät für Dich. Telefunken D 770 WKK. Exportgerät, Spitzensuper, Anfang des Krieges 1939/40 mit Messingleisten und schwer. Ich doch erstaunlich, oder ? Der parallele D 750 WK war in Metallsparbauweise ausgeführt. Zustand nicht so gut und schmutzig, aber Du restaurierst doch gerne und für Dich mach‘ ich einen günstigen Preis.“
Mit solchen Worten können Freundschaften enden.
Aber ernsthaft, der Telefunken D 770 WKK ist ein 7-Röhren Spitzengerät des Jahres 1939/40. WKK deutet auf Wechselstromgerät mit zwei Kurzwellenbereichen hin. Er kam parallel mit den ähnlichen Geräten D 860 WK, D 750 WK, D 760 WK heraus, die alle nur einen Kurzwellenbereich haben. Der D760 WK und der D 750  WK haben nur 6 Röhren und eine EL 11 als Endstufe, D 860 WK und D 770 WKK haben noch eine EF 13 als Vorstufenröhre und eine kräftigere EL 12 in der Endstufe. Alle Geräte haben Drucktastensenderwahl, D 860 WK und D 770 WKK unterscheiden sich durch einen Zf-Kreis, den der D 770 WKK weiniger hat. D 760 WK und D 750 WK sind in der der Schaltung weitgehend identisch, der D 750 WK ist allerdings in Metallsparbauweise ausgeführt, d.h. das Chassis besteht aus Holz und Pertinax, was ihn meiner Ansicht nach für den Sammler interessant macht.
Auffällig ist im Modelljahr 1939/40 die Änderung des Benennungssystems der Telefunken-Geräte. Bis 1938 begannen die Benennungen stets mit einem „T“ gefolgt von einer Nummer, die mit dem Baujahr begann. Die folgenden Ziffern benannten die Kreiszahl und die letzte Ziffer die Röhrenzahl, wobei die Gleichrichterröhre mit gezählt wurde. Ein T 898 WK erschien also im Modelljahr 1938/39 hatte 9 Kreise (nach Telefunkenzählweise) und 8 Röhren, Wechselstromgerät mit Kurzwellenbereich.
Das wurde 1939/40 durchbrochen. Vorangestellt wird der Buchstabe „D“ und die folgenden Nummern haben nichts mehr mit dem Modeljahr zu tun. Die erste Ziffer könnte auf die Kreiszahl hindeuten (750 und 760 haben je einen Bandfilter im Eingang und damit genauso viele Kreise wie der 770 mit EF 13 als Vorstufe, aber ohne Bandfilter, 860 hat einen Kreis mehr in der Zf). Für die zweite und dritte Ziffer habe ich keine Erklärung. Die Geräte sind sicher aus 1939/40, sie erscheinen alle im entsprechenden Werkstattbuch von Telefunken und K. Opperskalski (FunkGeschichte Nr. 122 (1998), S. 294 ff.) ordnet sie anhand der Zeitschrift Radio Mentor ebenfalls in dieses Modelljahr ein. Im RM.org ist beim D 770 WKK also ein Fehler (Einordnung nach 1940/41) gewesen, der nun korrigiert ist.
Die angeführten Geräte unterscheiden sich alle im Chassisaufbau grundlegend voneinander. Vor allem Aufbau der Hf-Kreise und Skalenseilzug unterscheiden sich. Man fragt sich manchmal, ob die Radiofirmen extra einen oder mehrere Entwickler für Skalenseilzüge hatten. Der Seilzug vom D 860 WK (ebenso Vorläufer T 898 WK) erfordert schon ein, milde gesagt, exotisches Hirn, um sich so etwas auszudenken.
Legt man die Preismeldungen im RM.org seit 2005 zugrunde, sind die Geräte D 770 WKK und D 860 WK häufiger (je 20 bzw. 21 Meldungen aus ebay) als die Geräte D 760 WK und D 750 WK (je 9 Meldungen aus ebay).
Aber zurück zu meiner „Occasion“, dem D 770 WKK. Ich bekam das Gerät teilzerlegt übergeben und daher gleich zu Anfang einige Hinweise zum Chassisausbau um sich überflüssige Arbeit zu sparen:
1) Ganz wichtig !!! Skalenzeiger vom Skalenseil lösen (Bild: T770WKK-Skalenzeigerbefesti), sonst macht es beim Herausziehen des Chassis „pling“ und das Skalenseil ist gerissen. Das war hier der Fall. Der Seilzug ist zum Glück nicht sehr kompliziert. (Offensichtlich ein Entwickler mit einfachem Gehirn)
2) An der linken Seite befindet sich eine Verlängerung für den Sprache/Musik-Schalter. Vorsicht, sie kann am Chassis hängenbleiben und brechen. Beim Herausnehmen auf die Feder achten, sie geht sonst gerne verloren. (Bild: T770WKK-Sprache-Musik-Schal)
3) Das Magische Auge EM 11 aus der Halterung lösen
4) Die üblichen Anschlüsse am Lautsprecher nummerieren und lösen. Hier kommt noch ein Masseanschluß an der Halterung der EM 11 hinzu und der 6,3 V Anschluß für die Skalenlämpchen an der linken Seitenwand.
5) Seil für die Bereichsanzeige lösen. (Bild: T770WKK-Bereichsanzeige)
Der Aus- und Einbau ist also aufwändig, und wenn man am Ende beim Einbau etwas vergißt und die Prozedur mehrfach wiederholen muss, verschwinden die Details langsam im roten Nebel vor Augen….
Was hatte mir mein guter Freund nun so bereitwillig verkauft? Kommen wir zum Ausgangszustand. Bevor ich mit der Restauration begann, wurden kritische Bauteile überprüft.
1) Der Trafo wurde ohne eingesteckte Gleichrichterröhre und entfernten Entstörkondensatoren über einen Regeltrafo mit Meßinstrument an 220 Volt angeschlossen. Da die Spannungseinstellung auf 110 V stand, war ist zunächst skeptisch. Gerne stöpseln unbedarfte Zeitgenossen das Gerät an die Steckdose um zu sehen ob er „spielt“. Der Trafo brachte die Sollausgangsspannungen und die Stromaufnahme am Meßinstrument zeigte „0“.
2) Der Lautsprecherübertrager zeigte mit einem Multimeter Durchgang
3) Ebenso die Spule des elektrodynamischen Lautsprechers.
Diese Bauteile sind nur mit großem Aufwand zu reparieren und es wäre in dem Fall dann besser gewesen ein zweites Gerät zu suchen.
A) Gehäuserestauration
A1) Das Gehäuse
(Bild: T770WKK-vorne-vor-R) Wie man auf dem Bild sieht, ist der Lack des Gehäuses zwar rissig, aber komplett vorhanden. Problemzonen sind durch Fingernägel abgeschabte Stellen um die Knöpfe herum. Hier war nicht nur der Lack abgeschabt, sondern eine Riefe in das Furnier geschabt worden. Abgesehen hiervon war das Messing total angelaufen. Das Gerät war intensiv benutzt worden. Ich beschloss, zu versuchen die abgeschabten Stellen zu retuschieren und den Lack des Gehäuses mit Schellack aufzufrischen.
Einfacher gesagt als getan. Proben mit Nitroverdünnung oder Anfeuchten zeigten, dass die Stellen wesentlich heller blieben, als der umgebende Originallack, der selbst einen leichten Braunton hatte. Also musste nachgebeizt werden. Den richtigen Farbton zu treffen ist nicht einfach. Außerdem muss der Übergang zum erhaltenen Lack so geschaffen werden, dass man keine deutliche Grenze sieht.
Ich versuchte auch die entstandene Riefe durch Anfeuchten des Furniers und Bügeln wieder zu glätten. (Bild: T770WKK-Lautstaerke-Furnier) Auf dem Bild sieht man mein Bügeleinen und das Zwischenlegtuch. Bei Dellen im Holz, die durch Druck oder Schlag entstanden sind, funktioniert das, da das Holz durch Feuchtigkeit und Hitze wieder aufquillt. Bei eingeschabten Vertiefungen leider nur eingeschränkt, es ging ja Holzmaterial verloren.
Zur Retuschierung wurden selbst angesetzte wasserlösliche Holzbeizen und Clou „Möbel Lasur Lack Eiche dunkel“ und „Nußbaum mittel“ verwendet, leider nur mit mäßigem Erfolg. Auch mit mehreren Schichten war keine zufriedenstellende Deckkraft erreichbar, vom Farbton ganz zu schweigen. Wasserlösliche Beize deckte nicht genügend, Möbel Lasurlack wurde offensichtlich von aufgebrachter Schnellschleifgrundierung angelöst und verdünnt. Zuletzt erwarb ich ein neues Produkt „Aqua Clou Holzbeize Eiche mittel“. Diese Beize hat erstaunliche Deckkraft und muss neben den Pigmenten offensichtlich wasserlösliche Acrylharz-Bestandteile enthalten. Sie verlief auf dem Furnier sehr gut und ließ sich auch dicker auftragen und wurde von der Schnellschleifgrundierung nicht mehr beeinflusst, außer der üblichen Intensivierung des Farbtones. Das Ergebnis ist akzeptabel, da ich das Gehäuse nicht neu aussehen lassen möchte. Ein 70 Jahre altes Radio hat halt Gebrauchsspuren, soll allerdings auch nicht wie frisch vom Dachboden aussehen. (Bild: T770WKK-Lautst-Furnier-n-R)
Der Rest des Gehäuses wurde mit feinem Schleifpapier (600, 900,1200er Körnung) geschliffen und mit einer Schicht Schnellschleifgrundierung lackiert, abermals geschliffen und mit Schellack poliert.
A2) Die Messingteile
Der D 770 WKK sticht durch seine Messingteile aus dem bisherigen Design der Telefunken-Radiogeräte der 30er Jahre hervor. Er scheint das erste Gerät gewesen zu sein, das mit einem Goldton verziert wurde. Vorher bestanden die Verzierungen aus poliertem Aluminium. Erst nach dem Krieg wurden die Messingleisten im Radiobau im „Gelsenkirchener Barock“ der 50er Jahre zum Standard. Telefunken begann mit seinem Großsuper T5000 nach dem Krieg ebenfalls wieder mit Messing.
Das Gerät hatte offensichtlich lange auf einem Dachboden gestanden (ich komme beim Chassis darauf zurück), die Messingteile waren alle mehr oder weniger rot verfärbt.
Hier muss ich ein wenig zum Material Messing erläutern. Messing ist im Wesentlichen eine Legierung aus Zink und Kupfer (nicht zu verwechseln mit Zinn + Kupfer = Bronze). Der Anteil an Kupfer bestimmt den Goldton der Legierung. Es gibt ein breites Qualitätsspektrum an Messinglegierung mit unterschiedlichsten Bestandteilen an Kupfer, Zink und zusätzlich noch an Zinn und Blei. Es kann mechanisch von zäh und fest bis hin zu spröde wie Krokant variieren.
Diese Legierungen verhalten sich bezüglich Korrosion, Beizen und Polieren unterschiedlich. Kupfer bildet schwarze Oxide, daher läuft Messing normalerweise dunkel an. Zink als der unedlere Bestandteil kann sich bei Korrosion durch Feuchtigkeit und Witterungseinfüsse als erstes aus der Oberfläche herauslösen. Das Metall wird dadurch im Laufe der Zeit immer gelber und dunkler, bis hin zum reinen roten Kupferton, der eine fest haftende Haut bilden kann.
Messing darf daher zur Reinigung auf keinen Fall mit Säuren behandelt werden, das Zink wird aus der Oberfläche zuerst herausgelöst, der Gegenstand wird dann rot. In einigen Büchern oder im Internet wird eine Paste aus Salz, Mehl und verdünnte Essigsäure empfohlen. Vorsicht, damit gibt es auch eine Reihe schlechter Erfahrungen, will der Übergang von reinem Messing über Messingbronzen zu Bronze fließend ist und vom Laien oft nicht beurteilt werden kann! Ebenso Empfehlungen mit verdünnter Schwefelsäure zu beizen sollte man mit Vorsicht betrachten. Sie löst das Zink und lässt das rote Kupfer zurück. Man muss daher etwas Wasserstoffperoxid hinzufügen, wodurch sich auch das Kupfer löst. Man kann dadurch aber die glatte Oberfläche zerstören. Chemische Methoden also nur im Extremfall und nach vorsichtigem Ausprobieren an einer unauffälligen Stelle anwenden, die Schäden können irreversibel sein!
Die beste Methode ist meiner Ansicht nach immer noch mechanisches Polieren mit Metallpolituren. Allerdings stößt man auf das Problem, dass Messingteile meistens mit Zaponlack geschützt wurden. Diese Schicht muss zuerst entfernt werden. Die nächsten Bilder geben einen Eindruck über den Zustand der Messingteile. Nur wo sie durch andere Teile geschützt wurden, war die goldene Farbe noch erhalten (z.B. der Lautsprecherrahmen oben).
(Bilder von oben nach unten:
- Tastenblende vor der Bearbeitung. Eine dicke rote Schicht bedeckt das Messing
- Die Zierleisten sind ebenfalls rot belegt, Leiste oben und unten bereits poliert
- Beginn der Bearbeitung des Lautsprecherrahmens. Die Schicht haftet fest. Teilweise sind Tropfenförmige Schäden bis zur Grünspannbildung zu erkennen. Man muß mit Stahlwolle/ Schleifleinen richtig Material abtragen
- Desgleichen bei der  Tastenblende
- Hier noch einmal die Messingteile vor der Bearbeitung )
Man sieht, dass das Messing mit einer festhaftenden roten Schicht bedeckt war. Die Flächen des Lautsprecher Frontrahmens teilweise ungleichmäßig, offensichtlich durch Feuchtigkeits- und/oder Lichteinfluss, der den Schutzlack zerstört hatte. Polierversuche zeigten, dass die Schicht auch unterschiedlich stabil war. (Bild: T770WKK-Messing-ungleichmae; T770WKK-Messing-Lackierung) Die Leisten ließen sich direkt mit Metallpolitur bearbeiten, da man hier auf einer relativ kleinen Fläche einen hohen Druck ausüben kann, die größeren Flächen mussten erst mit feinem Schmirgelleinen (900 – 1200er Körnung) oder Stahlwolle 000 gereinigt werden und anschließend mit Venol, Sidol oder am besten mit Zahnarztpolitur „Universal Polishing Paste“ von ivoclar vivadent poliert werden.
Zur Aufarbeitung des Gehäuses und der Leisten mussten diese vom Gehäuse losgelöst werden. Vorsicht, es sind sehr fragile Gebilde. Sie bestehen aus einem Holzkern mit einem Messingblech (Bild: T770WKK-Leiste). Mein Vorgänger hatte sie zum Glück schon abgelöst. Da sie vermutlich mit Knochenleim geklebt sind, hilft hier Wärme und Feuchtigkeit.
Das frisch polierte Messing ist nun sehr hell, fast weiß. Es muss vor Korrosion durch Zaponlack geschützt werden, dann bleibt es allerdings aber auch so hell. Um ihm den gewünschten warmen Goldton zu geben, wurde dem Zaponlack etwas spirituslösliche Beize von Clou „gelb“ zugegeben. Die Beize löst sich im Lösemittel und dadurch entsteht ein transparenter goldgelber Lack. Das war auch in früheren Zeiten ein übliches Verfahren um dem Messing einen edleren Farbton zu geben. (Dr. Fritz Zimmer, Handbuch der Lackier- und Dekorier-Technik, 2. Aufl, Berlin 1929) Daher sollte man bei der Bearbeitung von Messingoberflächen immer darauf achten, ob sie bereits mit einem Lack überzogen sind. Ist diese Schicht zerstört muss man sie nach dem Bearbeiten entsprechend erneuern.
 
 
Das Messing wird mit dem Föhn leicht angewärmt um ein Beschlagen durch die Verdunstungskälte des Lacklösemittels zu verhindern, was ansonsten Wolken in der Lackierung erzeugen könnte. Zaponlack wird einfach mit einem weichen Haarpinsel aufgetragen. (Bild: T770WKK-Messing-nach-R) Das Ergebnis kann am Ende des Artikels und hier betrachtet werden. (Bild: T770WKK-vorne-detail2).
A3) Die Schallwand
Der Lautsprecherstoff war wie das gesamte Gerät total verdreckt und musste gewaschen werden. Er ist auf der Schalwand aufgeklebt und relativ locker gewebt. Ich habe ihn zusammen mit der Schallwand mit einem Feinwaschmittel gewaschen. Dabei benutzte ich eine feine, weiche Babyhaarbürste um den Schmutz zu entfernen, das war aber schon zuviel des Guten. An einer Stelle war der Stoff so dünn geworden, dass man das Sperrholz der Schallwand durchscheinen sehen konnte. Zur Kaschierung wurde oben an der Schallwand ein Streifen Stoff losgelöst und abgeschnitten, der sowieso im Gehäuse verschwand und hinter die dünne Stelle geklebt. (Bild: T770WKK-Lautspr-Stoff1)
Bei Lautsprecherstoffen also immer Vorsicht! Man konnte aber nach dem Waschen sehen, dass in den Stoff Silberfäden eingewirkt waren, die vorher unter dem Schmutz unsichtbar waren. Es blieb also nichts anderes übrig, als zu Waschen. Trockenreinigung mit Pulvern (Teppichreiniger) bringt leider keine wesentlichen Verbesserungen stark verschmutzter Stoffe.
A4) Die Skala
Vor der Reinigung des Gehäuses und dem Polieren der Messingteile musste die Skala ausgebaut werden. (Bild: T770WKK-Skalenhalterung) Sie ist durch zwei Schlitze im Messingrahmen geführt und mit Gummizwischenstücken an der Halterung verschraubt, die auch den Skalenzeiger und die Beleuchtungslämpchen trägt. Diese Gummiteile sind im Laufe der Jahrzehnte knochenhart geworden und die Skala war mit ihnen verlebt. Hier muss sehr vorsichtig gearbeitet werden. Hebeln mit dem Schraubenzieher etc. führt zwangsläufig zum Bruch, zudem kann in diesem Fall die Skala nur seitlich bewegt werden um sie aus den Schlitzen des Messingrahmens zu bekommen.
Mit einem Föhn erwärmte ich die Gummiteile leicht und löste sie mit einer Trapezklinge von der Seite her vom Glas. (Bild: T770WKK-Skalenhalterung-loe)
Sie Skala war zum Glück noch gut erhalten, lediglich der rote Langwellenbereich war etwas verblasst, sie war aber wie der Rest der Gerätes stark verschmutzt, da sie außen vor der Schallwand angebracht ist. So etwas ist ein Problem. Die früher benutzten Skalenfarben sind oft nicht besonders wasserfest, besonders, wenn sie über Jahrzehnte durch entsprechende Lagerung in Kellern oder Dachböden Feuchtigkeit und starken Temperaturschwankungen ausgesetzt waren. Aber selbst die Skala eines Wohnzimmerradios kann durch Sonnenlicht, das das Bindeharz zerstört abblättern.
An einer Ecke testete ich die Festigkeit der Farbe. Sie ließ sich glücklicherweise mit einem leicht angefeuchteten Lappen abwischen. Hartnäckige Flecken zwischen dem Aufdruck wurden mit leicht angefeuchteten Wattestäbchen gereinigt.
Bei der Wiedermontage wurden zwischen Rahmen und Glas neue zugeschnittenen Streifen aus Gummiplatten gelegt.
B) Das Chassis
B1) Oberfläche
Das Chassis war mit einer dicken Schmutzschicht belegt, hatte leichten Flugrost angesetzt und ein Vorgänger hatte bereits versucht die Oberfläche zu polieren. Die Schmutzschicht strömte beim Anfeuchten den Geruch „Taubenschlag“ aus. (Ich deutete bereits an, dass an solchen Geräten Freundschaften zerbrechen können). (Bild: T770WKK-Ch-vor-R-oben; T770WKK-Ch-vor-Rest-oben)
Da blieb nur die Grundreinigung mit Sprühreiniger und Wasser. (Bild: T770WKK-Ch-Reinig) Bei solch rabiatem Vorgehen muss man darauf achten, dass Trafos, Übertrager und Hf-Spulen nicht mit Wasser in Berührung kommen. Am besten Abkleben und Einhüllen mit Plastiktüten und nur mit wenig Wasser sprühen, natürlich nicht das ganze Chassis eintauchen ! Der letzte Spülgang sollte mit destilliertem Wasser ausgeführt werden um Kalkflecken zu vermeiden. Für Drehkondensatoren benutze ich eine alte Munddusche, die mit einem feinen scharfen Wasserstrahl arbeitet.
Die beweglichen mechanischen Teile, wie Skalenseilrollen, Schalter, Spulenkoppler etc. wurden mit Petroleum abgepinselt und entfettet.
Der Zustand des Chassis hätte eigentlich nur ein Überpolieren mit Stahlwolle 000 erfordert, da aber der Vorgänger bereits Teile durch intensives Polieren von der Aluminiumfarbe befreit hatte, musste das gesamte Chassis gestrichen werden. Ich habe wie hier  wieder die Reibetechnik mit Aluminiumfarbe der Fa. Ekart angewendet. Das Chassis wird mit 000 Stahlwolle poliert und anschließend die Farbe dünn mit einem nahezu trockenen Pinsel aufgerieben. Man kann mit einem Papiertuch noch überschüssige Farbe abreiben. Die Farbe bleibt vorzugsweise an den rauen Roststellen hängen und man sieht keine Pinselstriche. Diese Methode ist eher als Auffrischung zu bezeichnen und setzt einen weitgehend intakten Grundanstrich voraus. Total verrostete Chassis kann man sehr gut mit Felgenfarbe aus der Spraydose neu lackieren. Hierzu müssen die Aufbauten aber weitgehend abmontiert werden bzw. sorgfältig abgeklebt werden. (Bild: T770WKK-Ch-oben-nach-R; T770WKK-Ch-oben-nach-R2) Weitere Informationen zu Chassisoberflächen siehe hier.
B2) Veränderte Bauteile
Im Gerät fielen sofort ersetzte Netzelktrolytkondensatoren und Kathoden­elektrolyt­konden­satoren der Nf-Röhre und Endröhre auf. Die Netzelkos waren RFT Typen von 1954, die Kathodenelkos ebenfalls RFT und von 1968. Das Gerät war also möglicherweise bis in die frühen 70er Jahre in Betrieb. (Bild: T70WKK-Ch-vor-R-unten2)
Das Gerät hat drei Netzelkos 16, 20 und 8 µF. In meinem Fundus befanden sich die drei Netzelkos des Telefunken T898, ebenfalls 16,20 und 8 µF, allerdings mit Drahtanschluss. (Bild: T770WKK-Elko) Sie sind defekt, aber passen optisch hervorragend zum Gerät. Wie man sieht, sind sie zwischen 7.38 und 9.38 produziert worden. Der 8 µF Kondensator war noch im Gerät original vorhanden, allerdings defekt und durch Aluminiumkorrosion verunstaltet. Er ist von kleinerer Bauhöhe als der Kondensator aus dem T898 (Bild: T770WKK-Elko-vergleich) Zwischen 7.38 und 7.39 wurde die Konstruktion offensichtlich verändert. Ich habe ihn daher im Gerät belassen und nur 16 und 20 µF aus dem T898 eingesetzt. Sein Produktionsdatum gibt auch einen Hinweis auf das Fertigungsdatum des D 770 WKK, das damit eindeutig im Modelljahr 1939/40 liegt. Der originale Kathodenelko der EL 12 war leider entfernt worden und wurde durch einen ähnlichen Typ aus meinem Fundus ersetzt. Die neuen Netzelkos wurden unauffällig in einer Ecke des Chassis versteckt. (Bild: T770WKK-Chassis-nach-R) Damit war das Chassis zumindest optisch wieder dem Originalzustand sehr ähnlich.
B3) Mechanische Restauration
Mechanische Probleme gab es mit dem Skalenseilzug, der aus zwei Teilseilzügen besteht und der Rastung des Wellenschalters. Hier fehlte eine von zwei Kugeln, die den Wellenschalter satt einrasten lassen. Die Ursache trat später zutage. Die Anzeige war nicht richtig justiert und vermutlich hatte jemand den Schalter mit allzu großer Kraft zu weit gedreht, wodurch eine der Kugeln herausgeglitten war. In meinem Fundus fand ich eine passende Kugel.
Der Seilzug ist zum Glück im Gegensatz zum Parallelgerät D 860 WK einfach konstruiert. Man glaubt garnicht, wieviele Methoden es gibt einen Skalenzeiger von rechts nach links zu bewegen und gleichzeitig einen Drehkondensator zu betätigen! Manchmal scheint der Entwickler seine Gehirnwindungen direkt in das Gerät projiziert zu haben, so verschlungen ist der Seillauf.
Hier hat das Antriebsrad des Drehkondensators zwei Nuten. In der Äußeren läuft ein Skalenseil, das um die Antriebsachse geschlungen ist (ich verwendete vier Windungen). (Bild: T770WKK-Skalenseilantrieb; T770WKK-Skalenseilantrieb2). In der Inneren läuft ein Stahlseil, an dem der Skalenzeiger befestigt ist (siehe oben). Beide werden durch je eine Feder gespannt und im Antriebsrad befestigt.(Bild: T770WKK-Skalenseilaufh) Die Befestigung entspricht wohl nicht ganz dem Original, wie ich Bildern im RM.org entnehmen konnte, funktioniert aber sehr gut und lässt sich gut montieren.
 
 
 
 
 
 
B4) Elektrische Restauration
Wie oben schon erwähnt mussten neue Netzelkos verwendet werden. Sie müssen nach dem Einschalten des Gerätes bevor die Endröhre angeheizt ist kurzzeitig 400 Volt Spitzenspannung ertragen können. Moderne Typen sind glücklicherweise so klein, dass man sie gut im Chassis eines 30er Jahre Radios unterbringen kann. (Bild: T770WKK-Ersatzelko) Typen mit 350 Volt Spitzenspannung halten nach meiner Erfahrung auch problemlos 400 V aus, sie verlieren allenfalls etwas an Kapazität.
Das Gerät ist mit Kondensatoren der Firma Hydra bestückt, die leider alle sehr hohe Leckströme von 2-5 mA bei 300 V zeigten. Es musste daher genau überlegt werden, welche Kondensatoren mit Hochspannung belastet werden und sie mussten alle innen erneuert werden. Das sollen natürlich so wenig wie möglich sein um den Originalzustand des Gerätes so wenig wie möglich zu zerstören. Allerdings war hier das Ziel das Gerät funktionsfähig zu machen.
Aufgrund der Bauweise der Hydra-Kondensatoren sind sie sehr leicht mit einem neuen Kondensator innen zu versehen. Sie sind alle in Glasröhrchen untergebracht, die mit Teermasse vergossen sind. Ausnahme war der Entstörkondensator auf der Sekundärseite des Netztransformators, der als Doppelkondensator in einem flachen Pappgehäuse ausgebildet war. Man sieht sie als Restaurator selten, da sie meist in früheren Jahren schon defekt waren und bei Reparaturen entfernt wurden. (Bild: T770WKK-Entstoerkond)
Die Kondensatoren wurden mit dem Föhn erwärmt und mit der Zange das Innenleben an einem Anschlussdraht herausgezogen. Wenn man das geschickt macht, bleibt auf einer Seite der Teerpfropfen erhalten und man braucht nicht neu zu vergießen, was immer mit Geruchbelästigung verbunden ist. Vom Innenleben kann man den anderen Pfropfen ebenfalls entfernen und zum Verschließen des Röhrchens mit dem neuen Innenleben verwenden. Hierzu muss man die Teermasse mit dem Föhn leicht erwärmen, ansonsten zerbröselt sie.  (Bild: T770WKK-Kondensatoren1; T770WKK-Kondensatoren3; T770WKK-Kondensatoren2)
Auffällig waren Kondensatoren 5 nF bis 0,1 µF im Hf Bereich, die im Telefunken-Schaltplan die Zusatzbezeichnung If tragen und außergewöhnlich dicke Anschlussdrähte hatten. Hier wurden die Anschlussdrähte mit dem neuen Innenleben weitgehend wiederverwendet um das Erscheinungsbild zu erhalten.
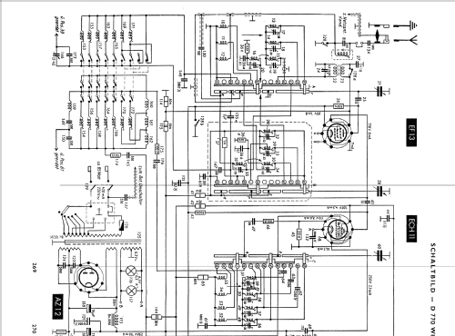
Augenfällig war noch der verbrannte 15 Ohm Widerstand (Nr. 122 im Schaltbild), über den  zur Gittervorspannungserzeugung der gesamte Gerätestrom fließt. Er war sicher der Grund für den letztlichen Ausfall des Gerätes. Die hohen Leckströme über die defekten Elkos und andere Kondensatoren haben ihn vermutlich zerstört.
Eine große Hilfe bei der Restauration waren die Nachdrucke der Telefunken Werkstattbücher aus dem Verlag Freundlieb, heute noch im Funkverlag Bernhard Hein erhältlich, in denen die Chassis der Telefunkengeräte abgebildet sind.
Dabei fiel auf, dass in meinem Gerät die Kondensatoren Nr. 121, 10 nF parallel zum Netzelko 20 µF und Nr. 132, 5 nF von der Heizleitung an Masse nie eingebaut waren. An den Stellen im Gerät, an denen sie zu finden sein sollten waren alle Lötstellen original mit gelber Farbe versiegelt.
Am Lötbrett auf der rechten Seite im Chassis waren die Bauteile zum größten Teil punktgeschweißt. (Bild: T770WKK-geschweisste-C) Offensichtlich wurde diese Einheit separat vorgefertigt. Damit sich die Bauteile beim Anschluss im Gerät nicht lösen oder um Lötzinn zu sparen, wurden die Bauteile punktgeschweißt. Eine Methode, die in späteren Telefunken-Radios im Krieg und kurz danach angewendet wurde. Das erschwert leider die Restauration. Die Kondensatoren wurden vorsichtig mit drehenden Bewegungen mit einer Flachzange von den Lötösen gelöst und nach Ersatz des Innenlebens mit wenig Lötzinn angelötet. Die Lötstellen wurden die im Original mit gelber Farbe markiert, allerdings in einem etwas anderen Farbton um sie von unberührten Lötstellen unterscheiden zu können. (Siehe Chassisbild oben)
Das Gerät spielte nach Stromanschluss auf MW auf Anhieb, war auf KW und LW jedoch unempfindlich. Die Zf Kreise mussten etwas nachgeglichen werden (468 kHz, ein „Ostgerät“), wodurch die Empfindlichkeit wesentlich gesteigert wurde. Laut Telefunkenabgleichbuch 1932/38/39/40 sollen beim Abgleich der Vorkreise jeweils der andere Kreis mit 200 pF verstimmt werden. Ich habe denn Meßsender nach Vorschrift an den Antenneneingang angekoppelt und alle Kreise direkt abgeglichen. Ich habe keine Qualitätseinbuße feststellen können. Die Puristen mögen mir verzeihen. Man kann das Gerät im Gehäuse abgleichen, da im Boden eine Reparaturöffnung vorhanden ist. Da ich jedoch mit weiteren Reparaturen zu rechnen hatte, habe ich das Chassis außerhalb des Gehäuses abgeglichen. Dazu habe ich die Skala vermessen und mir die Frequenzmarken mit Bleistift vom Kondensatoranschlag ausgehend auf dem Chassis markiert. Der Stahldrahtseilzug bekam ein kleines Papierfähnchen angeklebt.
Die Ferritkerne waren mit Wachs verklebt, ließen sich aber mit einem 150 °C heißem Lötkolben wieder lösen. Sie hatten teilweise 4 mm Sechskantköpfe und teilweise 4,5 mm. Da ich mir aber das Bernstein Werkzeug 1-900 hier (Post 19) beschafft hatte, war ich gut ausgerüstet. Der C-Abgleich zeigt, dass einige Trimmkondensatoren ihre Kapazität verloren hatten. Dies liegt meist an Kontaktfehlern der Lötnieten oder Mittelschrauben zum sulfidierten Silberbelag der Trimmer. Mit Silberleitlack habe ich sie neu ergänzt (Siehe Pfeile auf der Chassis- Abbildung oben) Bis auf zwei Trimmer der ersten Kreise im Langwellen und einem Kurzwellenbereich funktionierten sie wieder. Da der erste Kreis wenig Einfluss hat und ein Ersatz mit hohem Demontageaufwand des Hf-Teils verbunden wäre, habe ich es so belassen. Das Gerät spielt auch so ganz hervorragend. In allen Bereichen zeigt das Magische Auge das einwandfreie Arbeiten der Verstärkungsregelung an.
B5) Sonstiges
Die Schildchen nebst Kunststoffabdeckung der Sendertasten waren leider nicht vorhanden. Im Windows Excel Programm wurden die Schildchen mit weißer Schrift auf braunem Grund nachgebildet und aus klarer entsprechend dicker Folien die Abdeckung geschnitten und gefalzt. Sie steckt in zwei Schlitzen rechts und links in den Tasten. (Bild: T770WKK-Tasten-nach-R)
Beim Auffinden des Gerätes bestand die Röhrenbestückung zum Teil aus DDR Röhren ( AZ 12, EL 12N, EBF 11 Glas, ECH 11 durch ECH 81 mit Zwischensockel, EM 11). Dies zeigt nochmals die intensive Nutzung eines 30er Jahre Gerätes bis in die 70er Jahre, die für Bewohner der BRD absolut unüblich ist. Diese Bestückung ist ein Zeitdokument, daher habe ich sie im Gerät belassen.
C) Zusammenbau
Nun konnte das Gerät endlich wieder zusammengebaut werden. Dabei wurde die Bereichsanzeige wieder korrekt justiert. Der Seilzug läuft über einen halbkreisförmigen Hebel mit Nut, der an einer Schraube auf der Wellenschalterachse verstellt werden kann. (Bild: T770WKK-Bereichsanzeige-Jus) Das Zurechtfummeln des Seilzuges beim Chassiseinbau erfordert Geduld und schlanke Finger.
Das Ergebnis kann sich glaube ich sehen lassen. (Bild: T770WKK-vorne-nach-R2)
Na ja, ich denke, ich werde die Freundschaft nun doch nicht beenden, immerhin hat die Restauration trotz des Aufwandes (oder vielleicht genau deswegen) viel Spaß gemacht, besonders wenn das Ergebnis so gut aussieht und gut funktioniert.
Rüdiger Walz
 
 
 

 

Rüdiger Walz, 28.Dec.10

Weitere Posts (3) zu diesem Thema.

Dear Mr. Tomasz, I measured the voltage on the detection and it is -1.0 volts, very small. As you can see from the photo below, I changed almost all the variable capacities in the channel block. The original ones no longer work after 83 years from manufacture and we replaced them with variable air capacities. You are right that the oscillator circuits and input circuits were not tuned. As soon as I will tunned them, I will keep you informed if the magic eye works normally.

Allegati

Ion Carabas, 15.Mar.21

Weitere Posts (2) zu diesem Thema.

Dear Tomasz, Thank you very much for your prompt reply. I will try to measure the tensions, but please be a little patient with me. I am 83 years old and I am after Covid's disease, so things are slower. Thank you again! Ion

Ion Carabas, 12.Mar.21

Weitere Posts (2) zu diesem Thema.

Dear colleagues, I need your help. Some time ago I started restoring a Telefunken 770 wkk device. I changed all the fixed capacitors and cleaned very well the block containing the wave switch. Finally I checked all the voltages on all the tubes. The results were 5-6% higher. I retuned the medium frequency transformers, the device works normally except for the EM11 tube which opens partially on a strong station Bucharest 1 and the brightness trembles not being stable. I measured the voltage on the grid and it is -1.5 volts, a bit small (EM11 tube is new!) I changed all the parts on the chain between the grid and the detection diode in EBF11. Moreover, I replaced the diodes in the tube with germanium diodes. Nothing has changed in the operation of EM11. My knowledge is limited, my profession is not electronic. I am waiting for your help and advice. With thanks, Ion Carabas

Ion Carabas, 10.Mar.21

Weitere Posts (5) zu diesem Thema.

Hallo liebe Radiofreunde,

ich bin glücklicher Eigentümer eines TFK D770WKK. Leider ist die
Skalenscheibe zerbrochen und liegt mir nur noch in Fragmenten vor. Da die Aussichten sehr gering sind, eine originale Skalenscheibe zu finden, will ich mir selbst einen Ersatz herstellen.
Das erforderliche
Glas habe ich mir schon anfertigen lassen. Nun brauche ich noch eine Kopie der Skala. Kann mir jemand mit einem Scan helfen?

Original ist die Schrift der MW-Skala weiss. Da muss ich leider vom Original abweichen (Siebdruck scheidet für mich aus).

MfG
Bernhard Rex
Leerzeilen entfernt.

Bernhard Rex, 07.Jul.10

Weitere Posts (3) zu diesem Thema.