• Year
  • 1955/1956
  • Category
  • Broadcast Receiver - or past WW2 Tuner
  • Radiomuseum.org ID
  • 338

Click on the schematic thumbnail to request the schematic as a free document.

 Technical Specifications

  • Number of Tubes
  • 7
  • Number of Transistors
  • Main principle
  • Superheterodyne (common); ZF/IF 468/10700 kHz
  • Tuned circuits
  • 7 AM circuit(s)
  • Wave bands
  • Broadcast, Long Wave, Short Wave plus FM or UHF.
  • Power type and voltage
  • Line / Batteries (any type) / 110; 125; 160; 220 / D: 2 × 1,5 & 100 Volt
  • Loudspeaker
  • Permanent Magnet Dynamic (PDyn) Loudspeaker (moving coil) - elliptical
  • Material
  • Leather / canvas / plastic - over other material
  • from Radiomuseum.org
  • Model: Pinguin 55 UKW U55 - Akkord-Radio + Akkord
  • Shape
  • Portable set > 8 inch (also usable without mains)
  • Dimensions (WHD)
  • 265 x 200 x 100 mm / 10.4 x 7.9 x 3.9 inch
  • Notes
  • Beide Schreibweisen kommen vor: 55 UKW und U 55 (siehe Fotos).

    Achtung: Es gibt (wohl von Bastlerhand) zusammengesetzte Geräte, die z.B. das Gehäuse einer Pinguette 57 (eigentlich mit DF97) mit dem 55er Chassis des Pinguin (mit DC90) kombinieren (incl. Wechsel der Frontblende wegen der anderen Tasten).

    Im Folgejahr 1956/57 wurde die DC90 durch die DF97 abgelöst (bei entsprechender Schaltungsänderung)-> Pinguin U56

    Kunstlederbezug. Preis mit Lederbezug DM 259,-.

    Anschluss an Autobatterie über Zerhacker AKZ103 (DM 58,-) möglich.

  • Net weight (2.2 lb = 1 kg)
  • 3.8 kg / 8 lb 5.9 oz (8.37 lb)
  • Price in first year of sale
  • 239.00 DM
  • Source of data
  • Radiokatalog Band 1, Ernst Erb
  • Circuit diagram reference
  • Lange Schaltungen der Funkindustrie, Buch 1

 Collections | Museums | Literature

Museums

The model Pinguin 55 UKW can be seen in the following museums.

 Forum

Forum contributions about this model: Akkord-Radio +: Pinguin 55 UKW U55

Threads: 2 | Posts: 4

 

Alle Bilder können durch Anklicken vergrößert werden!

1     Einführung

Der Pinguin 55 war das zweite Modell der bekannten Pinguin Modellreihe, welche die in Offenbach a.M.  beheimatete Firma AKKORD im Zeitraum 1954 bis 1965 auf den Markt brachte. Es wurde in 3 Varianten angeboten:

Pinguin K55 mit MW, 3 KW - Bändern und der Röhrenbestückung DK92, DF96, DAF96 und DL96,

Pinguin M55 mit 2 MW - Bändern, LW, KW und der Röhrenbestückung DK96, DF96, DAF96 und DL96, und 

Pinguin U55 mit UKW, KW, MW, LW und der Röhrenbestückung DC90, DF96, DK96, DF96, DAF96 und DL96. Der U55 war übrigens das letzte Pinguin Modell, das in der UKW Misch/Oszillatorstufe eine DC90 verwendete. Die Folgemodelle verwendeten eine als Triode gechaltete DF97 (gegenüber DC90 halbierte Heizleistung).

Links ein Bild des Pinguin U55 in grünem Schangenleder - Imitat, der sich früher in meiner Sammlung befand.

 

 

 

Hier noch eine Übersicht der zahlreichen im RM angelegten Pinguin - Modelle, die, wie auch alle anderen Bilder, durch Anklicken vergrößert werden kann. 

Interessant im Kontext dieses Berichtes ist die rot markierte Anmerkung auf der RM - Modellseite des Pinguin U55

 

 

 

 

 

 

 

Wie hier angedeutet, muss man damit rechnen, eigenwillige Modellmischungen zu finden. Diese folkloristischen Melanges verblassen aber im Vergleich zu dem hier beschriebenen Gerät!


 

2     Das zu restaurierende Gerät

Nach Lektüre meines Forumsbeitrags "Defekte und Reparaturansätze bei UKW - Tunern" bat mich ein Forumskollege kürzlich um folgenden Gefallen: Er hatte günstig einen Pinguin U55 erworben, musste aber feststellen, dass das Gerät stark verbastelt war und trotz intensiver Bemühungen nicht dazu zu bewegen war, auf UKW zu funktionieren. Die Bezeichnung "stark verbastelt" war, wie sich dann herausstellte, eine charmante Untertreibung. Einer der Vorbesitzer hatte die Lautsprecherröhre DL96 gegen eine EL95 und die UKW Röhre DC90 gegen eine EC92 ausgetauscht. Die für den Betrieb dieser Röhren höhere Heizspannung (6,3 V ≈ gegenüber 1,4 V = wurde durch einen geänderten Netztransformator bereitgestellt. Den Rücktausch der beiden Röhren gegen die Originalbestückung und die entsprechende Anpassung der Heizspannung hatte der Kollege bereits erledigt - aber eben leider ohne den erhofften Erfolg.

Vor vielen Jahren besaß ich selbst dieses Modell in meiner Sammlung und erinnerte ich mich an die nicht sonderlich komplexe und gut reparable Technik und den recht guten UKW - Empfang. So willigte ich ein, mich des Sorgenkinds anzunehmen. Als ich das Gerät dann erhielt, war ich doch etwas überrascht und das will nach ca. 40 Jahren Sammeltätigkeit etwas bedeuten.

 

 

 

 

 

 

 

 

Hier zunächst einige Bilder vom Ausgangszustand des Gerätes: Leider fehlen die Frontblende, die Stellräder.und die Teleskopantenne. Das schon vor den ersten Aufnahmen aus dem Gehäuse entnommene Chassis präsentierte sich so:

 

 

 

 

 

 

 

 

Da der Ersatztrafo den größten Teil des Batterieschachts beanspruchte, und Batteriebetrieb daher sowieso nicht mehr möglich war, hatte man den Betriebsartenumschalter "Batterie - Netz" totgelegt. So fehlten auch die Anschlüsse für Heiz - und Anodenbatterie.

Um ganz sicher zu sein, dass die Batterieröhren nicht überheizt werden, hatte man einen Step - Down -- Regler mit digitaler Anzeige der Ausgangsspannung eingebaut, der die vom Netztrafo nach Gleichrichtung gelieferte Gleichspannung von ca. 11 V auf 1,4 V herunterregelte.

 

 

 

 

 

 

Was bei der ersten Begutachtung bereits auffiel, war die extreme Verschmutzung des Gerätes, insbesondere des Tastensatzes und des Abstimmdrehkos, die offensichtlich ausgiebig mit Kontaktspray geflutet worden waren. Sogar das Innere der UKW - Box wurde nicht vom Kontakstspray verschont. Auffällig war auch die chaotische Verdrahtung rund um die DC90, eine Folge des Rückbaus von der zwischentzeitlich eingesetzten EC92.

Die im folgenden beschriebenen Restaurationsarbeiten hatten nicht zum Ziel, das Gerät in den äußeren Originalzustand zurückzuversetzen. Lediglich die originale Funktionaität wurde angestrebt und, wie man sehen wird, auch erreicht.


 

3     Die Schaltung des "Pinguin U55"

 

3.1     Übersicht

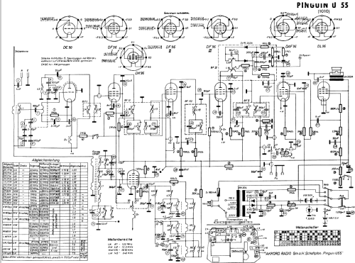
Hier zunächst das Übersichtsschaltbild aus den originalen AKKORD Serviceunterlagen:

 

 

 

 

 

 

 

 

 

 

 

 

 

 

Der besseren Übersichtlichkeit wegen, hatte ich hier die Anodenspannungsleitungen bereits in rot markiert, die Regalspannungsleitungen in blau.


3.2     UKW - Box und 10,7 MHz Vorverstärker

Das von der Teleskopantenne aufgefangene oder in die Antennenbuchse "A" eingespeiste UKW - Signal wird induktiv in den Eingangskreis, bestehend aus L1, dem Abstimmdrehko Pos. 4 und dem Paralleltrimmer T1 eingekoppelt und von dort kapazitiv auf den Neutralpunkt der Gitterspule übergeben. Diese koppelt induktiv auf den Oszillatorkreis bestehend aus L2, dem Abstimmdrehko Pos. 5, dem Paralleltrimmer T2 , und dem Verkürzungskondensator 100 pF Pos. 9.  

Die Rückkopplung erfolgt über den Kondensator 20 pF Pos. 10 , die ZF - Auskopplung über das Filter BFI.

Etwas überraschend mag erscheinen, dass die Anodenspannung über einen Vorwiderstand von 2 KΩ nicht nur über das Bandfilter die Anode der DC90 versorgt, sondern auch auf den Fußpunkt der Vorkreisspule L1 führt. Dies ist kein Druckfehler sondern bildet einen Zweig der Brückenschaltung zur Neutralisation der Gitter - Anoden - Kapaztität der DC90.

 

Der Pinguin U55 verwendete als letztes Modell der Pinguin - Reihe eine DC90. Danach ging man auf eine als Triode geschaltete DF97 über. Der Grund lag im gegenüber der DC90 halbierten Heizstrombedarf: 25 mA anstatt 50 mA! Siehe den eingefügten Ausschnitt der Röhreninformationen von Ing. Fritz Kunze.

Zur Angleichung der Empfindlichkeit bei UKW - und AM - Empfang, wurde das 10,7 MHz ZF - Signal vor der Einkopplung in das gemeinsame 468 KHz / 10,7 MHz ZF - Filter BF II mit einer DF96 vorverstärkt.

 

 

 


 

3.3     Die AM - Misch - / Oszillatorstufe

Die mit der Heptode DK96 bestückte Mischstufe arbeitet mit üblicher multiplikativer Mischung.

Der Ferritstab trägt die Vorkreisspulen für KW (L6) und MW (L7 in zwei gegeneinander verschiebbare Einzelwickel aufgeteilt).

Die LW - Vorkreisspule wurde zwar als separate Spule (L8) ausgeführt, jedoch wird bei LW - Empfang die auf dem Ferritstsab angeordnete MW - Spule L7 der Kreisspule L8 in Reihe geschaltet. Mit anderen Worten: Auf LW wurde ein Teil der Vorkreisspule auf den Ferritstab ausgelagert.

Damit wurde sichergestellt, dass der Ferritstab auch auf LW aktiv ist.

Außer den Vorkreisspulen trägt der Ferritstab auch eine in zwei Teilwickel aufgeteilte Antennen - Koppelwicklung. Diese ist sowohl mit der Teleskopantenne als auch mit der Buchse für externen Antennenanschluss verbunden.

Für den Oszillator wurde die Schaltungsvariante gewählt, bei der der Schwingkreis am Röhrengitter liegt, die Rückkoppelwicklung in der G2 - Zuleitung. Die jeweils nicht benutzten Spulen wurden durch Wellenschalterkontakte kurzgeschlossen.

Diese Schaltungsvariante hat folgenden Nachteil: beim Schwundregelvorgang ändert sich die Raumladungsverteiung zwischen den Röhrengittern und damit auch die Kapazität des Oszillatorgitters mit entsprechender Frequenzverwerfung des Oszillators. AKKORD war sich dieses Problems natürlich bewusst und hat daher die Schwundregelung bei KW abgeschaltet.

Das 468 KHz ZF - Signal am Ausgang der DK96 führt auf das Kombifilter BF II.


 

3.4     Einige Schaltungsdetails zur Vorkreisumschaltung

 

Die beim Wellenbereichswechsel vorgenommenen Umschaltungen sind etwas schwer zu durchschauen. Dies gilt auch für die Funktion des im Schaltbild rot eingekreisten Draht - Wickeltrimmers Pos. 19. Daher hier noch eimal die vereinfachten Schaltbilder ohne Schalterkontakte:

 

 

 

 

 

KW

Der Drahtwickeltrimmer verbindet das Oszillatorgitter (G1) mit dem Vorkreisgitter (G3) der DK96, an dem auch der Abstimmdrehko und die parallel geschalteten (!) Vorkreisspulen L6 (KW) und L7 (MW) liegen.

Da die KW Vorkreisspule direkt auf Massepotential führt, wird die Schwundregelung deaktiviert (siehe oben).

 

 

 

 

MW

 

Der Drahtwickeltrimmer liegt nun vom Oszillatorgitter direkt nach Masse.

L7 und T7 bilden zusammen mit dem Abstimmdrehko den MW - Vorkreis.

Die Schwundregelung ist aktiviert, da L7 nur HF - mäßig über 50 nF mit Masse verbunden ist.

 

 

 

 

LW

Der Drahtwickeltrimmer liegt wieder vom Oszillatorgitter direkt nach Masse.

L8 und die in Serie geschaltete L7 bilden zusammen mit dem Abstimmdrehko den LW - Vorkreis.

Die Schwundregelung ist aktiviert, da L8 nur HF - mäßig über 50 nF mit Masse verbunden ist.

 

 

 

Der Drahtwickeltrimmer nimmt also nur auf KW Einfluß auf die Schaltung, da er hier G1 und G3 der DK96 miteinander verbindet und dadurch einen Teil der Oszillatorspannung dem Eingangssignal überlagert.

Überraschend ist die Tatsache, dass dieser Trimmer in den Pinguin - Folgemodellen Pinguin U56, Pinguin U57 und Pinguin U58 auf allen AM - Bereichen aktiv ist: Hier die Schaltungsauszüge:


Zur Klärung der Funktion dieses Trimmers greife ich im Folgenden auf den Bericht "Halbleiterbestückte  AM-Mischstufen in Rundfunkempfängern" von H.M. Knoll zurück. Dort ist zwar von Transistorschaltungen die Rede, die Aussage zur Funktion des Trimmers ist aber direkt auf den Pinguin U55 übertragbar.

Zitat:

Wird - oder soll - mit dieser einfachen  Mischerschaltung in einem KW-Bereich gearbeitet werden, muss der Transistor  wegen des geringen Abstandes von fe und fo , der gleich der ZF  fz ist,  in einer Schaltung mit einer abgleichbaren Brückenschaltung wie hier gezeigt arbeiten.

Dass ZF-Stufen mit Transistoren im allgemeinen neutralisiert werden müssen ist bekannt, bei Mischstufen mit Röhren nur im UKW-Bereich. Wird der Eingangskreis nicht zum Oszillatorkreis hin entkoppelt, treten böse Effekte auf. Der HF-Kreis kann kaum auf Maximum abgeglichen werden, weil er den Oszillator mitzieht. Das wäre unter Umständen hinzukriegen, was aber bleibt, behindert eine Benutzung das Empfängers ganz endschieden. Wird die üblicherweise  benutzte Stabantenne mit der Hand berührt, ist der Sender weg, weil der Oszillator neben dem HF-Kreis ebenfalls verstimmt wird.
Weil die Rückwirkung im Transistor nicht reell kapazitiv oder ohmisch ist, muss die Brücke beide Wirkungen neutralisieren. Sie wird mit R und C  nach besonderen  Regeln individuell abgeglichen. Praktischerweise  wird das mit einer Serienschaltung bestehend aus RN und CN realisiert. Sie trennt neben ihrer Hauptaufgabe, zugleich DC und  AC von einander.

 

 

 

 

 

 

 

 

 

 

 

Hier ein Beispiel (mit Vorstufe) aus dem Applikationslabor von TELEFUNKEN.

 

 

 

 

Dazu jetzt eine reale Schaltung aus der Praxis,  Modell von 1959, GRUNDIG Music-Transistor-Boy 59E mit MW und KW.

Diese Passage wurde übrigens etwas gegenüber dem Originaltext von H.M. Knoll geändert

 

 

Zitat Ende


Bei den Modellen Pinguin 56, 57 und 58 hatte man sich offensichtlich dazu entschlosen den Drahtwickeltrimmer nicht mehr nur auf KW zuzuschalten, sondern die Brückenschaltung zwischen G1 und G3 auf allen Wellenbereichen bestehen zu lassen. Der geringe Kapazitätswert von nur ca. 2,5 pF hat auf LW und MW keinen Einfluss auf die Funktion der Mischstufe.


.

3.5     Die  ZF - NF - Baugruppe.

Diese Baugruppe zeigt kaum schaltungsmäßigen Besonderheiten und soll deswegen nur kurz angesprochen werden:

 

 

 

 

 

 

 

 

 

 

 

 

 

 

 

 

Auf das erste Kombi - ZF - Filter BF II folgen 2 Verstärkerstufen mit den Röhren DF96 II und DF96 III.

Der darauf folgende Ratiodetektor ist mit zwei Ge - Dioden RL232b bestückt. Die zweite Verstärkerstufe führt zwecks besserer Selektion in den AM - Bereichen auf ein weiteres 468 KHz Bandfilter BF IV. Die Demodulation und AVR Erzeugung erfolgt an der Diodenstrecke der DAF96, deren Penthodensystem für die NF - Vorverstärkung verwendet wird. Für die NF - Endverstärkung wurde eine DL96 eingesetzt.

In der Minusleitung der Anodenspannungsversorgung liegen Widerstände von 350 Ω  und 150 Ω (rechts unten im Bild). Der bei UKW - Empfang geschlossene Schaltkontakt 4 / 5 reduziert die Gitterspannung der DL96 und sorgt für etwas höhere Asgabngsleistung.

Die Buchsen "PU" ermöglichen den Anschluss eines Plattenspielers. Da dessen Audiosignal direkt (ohne Umschalter) auf den Hochpunkt des Lautstärkereglers führt, musste man bei Plattenwiedergabe auf der Senderskala eine Stelle ohne Signal suchen. 

 


 

3.6     Netzteil und Betriebsartenumschalter

Obwohl auf den ersten Blick recht einfach aufgebaut, enthält das Netzteil einige interessante Details, die für den sicheren Betrieb der D - Röhren von essentieller Bedeutung sind!

 

 

 

 

 

 

 

 

 

 

 

Der für Netzspannungen zwischen 110 und 220 V ausgelegte Netrtrafo besitzt zwei Sekundärwickel mit Spannungen von ca 10 V~ und 100 V~.

3.6.1     Heizspannungserzeugung

Die Erzeugung der für den Betrieb von D - Batterieröhren benötigten Heizspannung von ca. 1,4 V erfolgt über Gleichrichtung im Einweg Selengleichrichter E15C250. Am Siebkondensator 1200 µF Pos. 62 baut sich unter normalen Lastbedingungen eine Spannung von ca. 7,5 V auf. Nach dem darauf folgenden Tiefpass 15 Ω / 1200 µF verbleibt eine Spannung von ca. 4,5 V. Der Trimmwiderstand 30 Ω / 2W wird so justiert, dass sich das benötigte Spannungsniveau von ca. 1,4 V einstellt. Zur Stabilisierung der Heizspannung wurde ein Selen - Gleichrichter AEG ST. 1,35-65 verwendet, wobei die Typbezeichnung besagt, dass bei Anlegen einer Spannung von 1,35 V in Durchlassrichtung ein Nennstrom von 65 mA fließt.

 

Auf diesen wichtigen Punkt möchte ich nun etwas genauer eingehen.

Die Überlegung war folgende: Selbst wenn durch einen unglücklichen Umstand mehrere Röhrenheizungen durchbrennen, so sollte die Spannung an der Heizleitung trotzdem nie einen Wert überschreiten, der die verbleibenden Röhren schädigt - selbst dann nicht, wenn nur noch eine intakte Röhre übrig geblieben ist.

Wie kann man das erreichen? 

  1. Man verwendet eine "harte" Spannungsquelle, also eine Spannungsquelle mit sehr niedrigem Innenwiderstand. In diesem Fall würde sich die Spannung an der Heizleitung nicht wesentlich ändern, unabhängig davon, wie viele Röhrenheizungen durchgebrannt sind. Unglücklicherweise ist so eine "harte" Spannungsversorgung garnicht so einfach umzusetzen. Man benötigt eine sehr niederohmige Trafowicklung (dicker Draht ⇒ großer Trafo), einen sehr niederohmigen Gleichrichter und große Siebkondensatoren. 
  2. Man akzeptiert, dass die Spannung bei versagenden Röhrenheizungen gleitet, sorgt aber dafür, dass sie nicht so weit hochläuft, dass die verbleibenden Heizfäden auch noch versagen. Das ist relativ leicht umzusetzen! Man benötigt lediglich ein Bauteil, das den durch die defekten Heizungen wegfallenden Laststrom mehr oder weniger gut kompensiert. Natürlich denkt man unwillkürklich an eine Spannungsstabilisierung z.B.mit Zenerdioden. Da in den 1950er Jahren solche Dioden noch nicht auf dem Markt waren, hat man einen in Durchlassrichtung geschalteten Selen - Gleichrichter verwendet. Steigt die Spannung an seinen Anschlüssen an, führt das zu einem überproportionalen Stromanstieg ⇒ Gleichrichterkennlinie. Über den Vorwiderständen (15 Ω und 30 Ω Trimmregler) fällt dadurch mehr Spannung ab und der durch die defekten Röhrenheizungen bewirkte Spannungsanstieg wird  abgemildert.  Der Unterschied zu einer modernen Zenerdiode besteht darin, dass die I(U) - Kennlinie deutlich weniger steil verläuft; die Spannungsstabilisierung ist somit weniger effizient. Der Grund hierfür liegt in der Tatsache, dass der hier beschriebene Selen - Stabilisator in Durchlassrichtung betrieben wird, Zener - Dioden jedoch im Sperrbereich (Durchbruchbetrieb)..

Quintessenz:

Der Selen - Stabilisator kann also nicht vollkommen verhindern, dass die Heizspannung der verbliebenen intakten Röhren ansteigt, aber er reduziert diesen Anstieg auf ein ungefährliches Maß, indem er sukzessive immer mehr Strom übernimmt und dadurch den Spannungsabfall an den Vorwiderständen ungefähr konstant hält. Der Stabilisator spielt also eine essentielle Rolle bei der Schadensbegrenzung bei defekten Röhrenheizungen.

3.6.2     Anodenspannungserzeugung 

Aus dem zweiten Sekundärwickel des Netztrafos wird über Gleichrichtung im Einweg - Selengleichrichter E150C30 (kombiniert mit dem E15C250 in einem gemeinsamen Gehäuse) die Anodenspannung von ca. +80 V gewonnen. Der Minuspol der Gleichrichterstrecke wird nicht direkt auf Masse gelegt, sondern über eine Widerstandskette 350 Ω / 150 Ω. Der über die Widerstandskette fließende gesamte Anodenstrom von ca. 15 mA bewirkt einen Spannungsabfall, der für die Gittervorspannung der DL96 verwendet wird. Durch Kurzschließen des 150 Ω Widerstandes bei UKW - Betrieb wird die Gitterspannung leicht reduziert und die Ausgangsleistung entspreched erhöht.

 

3.6.3     Betriebsartenschalter

 

Der extrem eng aufgebaute (Kurzschlussgefahr!) Umschalter von Netz - auf Batteriebetrieb hat folgende Funktionen:

Umschaltung der Heizpannungsversorgung vom + 1,4 V Netzteil auf die 2 parallel liegenden Heizbaterien (Mono - Zellen = Typ "D" Batterien).

Umschaltung der Anodenspannungsversorgung vom +80 V Anodenspannungsnetzteil auf die +90 V Anodenbatterie

Trennung des Netztrafo - Primärwickels vom Netzeingang.

 


 

4     Restauration des mechanischen und elektrischen Aufbaus

 

4.1     Das Netzteil

Die erste Stufe der Restaurationsarbeiten konzentrierte sich auf die Wiederherstellung des Netzteils und hier zunächst auf den Netztransformator. Betrachtet man die im RM hochgeladenen Bilder, so kann man die geforderten Maße recht genau abschätzen:

Um nicht über den Chassisrand in das darüber liegende Batteriefach hineinzuragen, darf das  Blechpaket die Außenmaße 40 x 48 nicht überschreiten. Für diese Maße kommt nur ein EI48 Trafopaket infrage. Trotz intensiver Suche, konnte ich keinen passenden Transformator finden. 

Glücklicherweise hatte mir ein freundliches RM Mitglied die Schrottschassis eines Pinguin M59 und eines Pinguin U59a als Teilespender zur Verfügung gestellt.

Der Netztrafo des M59 hatte zwar die korrekte Größe, aber eine andere Identifikation (BV106b) als der originale Trafo (BV204), Die Unterschiede sind aber minimal. Der Trafo des M59 hatte Primärwickel für Netzspannungen von 110, 125, 155, 220 und 240 V., der des U55 für Netzspannungen von 110, 125, und 220 V. Der Netzspannungsumschalter des U55 hat zwar auch Positionen für 155V und 250 V, diese waren aber nicht kontaktiert.

So präsentierte sich das Chassis des U55 nach Umsetzen des Netztrafos, der Batteriekontakte und der Kombi - Elkos  aus dem M59:

 

 

 

 

 

 

 

 

 

 

 

 

 

 

 

Auch die Widerstände in der Heizspannungsversorgung (15 Ω und 30 Ω  Trimmregler) sowie die Widerstände des Gitterspannungsteilers 350 Ω und 150 Ω ) wurden erneuert.

In Ermangelung eines originalen Heizspannungs - Stabilisators AEG ST. 1,35-65 wurden 2 in Serie geschaltete Si - Dioden 1N4004 eingesetzt (rot umrandet). Mit diesen ergibt sich bei entsprechender Einstellung des 30 Ω Trimmwiderstandes eine Heizspannung von 1,4 V. Bei Ausfall aller Röhrenheizungen steigt die Spannung auf 1,58 V an.

Da ich über einen größeren Vorrat von altem Seide-Lack-Draht (SL - Draht) verfüge, konnte die Verdrahtung sehr originalgetreu durchgeführt werden.


 

4.2     Netzspannungsumschalter und Betriebsartenschalter

Da bei dem noch vorhandene Netzspannungsumschalter des U55 die Postionen 155V und 250 V nicht belegt waren, ich die Anschlüsse des Netztransformators aber nicht unbenutzt lassen wollte, wurde eine improvisierte Lösung gefunden. In die zwei nicht belegten Positionen wurden gekürzte Ader - Endhülsen mit rückwärtigen Lötösen eingenietet. Die Postion "250V" wurde mit dem "240 V" Primärwickel des Trafos verbunden.

Das Chassis präsentierte sich nun so:

 

 

 

 

 

 

 

 

Abgesehen von den Pertinax - Abdeckungen des Tastenaggregates und des Netztransformators entsprach das Chassis nun wieder dem Originalzustand.

Ein Test zeigte, dass das Gerät auf den AM - Bereichen einwandfrei funktionierte. Leider war nach wie vor kein UKW - Empfang möglich. 


 

4.3     Die UKW - Box

Zunächst noch einmal ein Bild des anfänglichen Zusstands.

 

 

 

 

 

 

 

 

 

Bei genauerer Betrachtung wurde herausgefunden, dass ein Draht der Gitterkoppelspule abgerissen war. Die Auskopplung des 10,7 MHz ZF - Signals aus der UKW - Box erfolgte über ein hochohmiges Koaxialkabel mit zentralem Luftkanal und sehr dünnem, starren Innenleiter. Dieser Innenleiter hatte sich aus der Lötstelle gelöst. Leider lief der UKW - Empfang auch nach Korrektur dieser Fehler nicht.

Alternativ wurde nun die UKW - Box aus dem Ersatzteilspender Pinguin U59a entnommen und am U55 betrieben. Obwohl die Ankopplung des ZF - Signal nicht optimal war, lief der UKW - Empfang nun einwandfrei. Da die DC90 ausreichende Emission zeigte, blieb nun als Fehlerursache nur noch der Drehkondensator. Leider sind dessen Massefahnen mit dem Gehäuse der UKW - Box verlötet

Um bei der Demontage keinen weiteren Schaden anzurichten, insbesondere um keine Spulenkörper anzuschmelzen, mussten zunächst einige Komponenten aus der Box entfernt werden.

 

 

 

 

 

 

 

 

 

 

 

 

 

 

 

 

 

Bei dieser Gelegenheit wurde auch das ZF .- Filter inspiziert, aber als in Ordnung befunden.

 

Der demontierte Drehkondensator wurde zunächst gründlich in Reinigungsbenzin gewaschen, danach mit einem weichen Pinsel mit HAGERTY Silberputzflüssigkeit gereinigt, in heißem Wasser mit Geschirrspülmittel gebadet und abschließend mit einem Heißluftfön getrocknet.

Leider wurde nach der Reinigungsprozedur festgestellt, dass auf den ehemals versilberten Schleifbahnen der Massekontaktschleifer das Silber heruntergeschliffen war. Glücklicherweise habe ich für diesen Zweck ein schwer verdrängbares Silberkolloid - Fett. Trägt man das auf die  Schleifbahnen auf, erreicht man eine deutliche Verringerung des Übergangswiderstandes. Leider gibt es dieses Product (ELECOLIT) schon seit vielen Jahren nicht mehr im Handel.

Danach wurde alles wieder zusammenbebaut und der UKW - Empfang war wieder vorhanden.

Warum einer der Vorbesitzer den Drehko - Rotor teilweise mit roter Farbe angestrichen hat, hat sich mir bisher nicht erschlossen.

Abschließend noch einige Bilder der überarbeiteten UKW - Box. Da einige der Biegelaschen abgebrochen waren, wurde der Bodendeckel aufgelötet.

 

 

 

 

 

 

 

 

 

 

 

 

 

 

 

 

 

 

 

 

 


 

4.4     Der problematische Netzschalter

Ein übliches Problem dieser Gerätegeneration war der defekte Netzschalter. Während die untere (grün markierte) Schaltstrecke nur das Heizspannungsnetzteil bzw. die Heizbatterien auf die Röhrenheizungen schaltete, also ca. 225 mA =, musste die obere (rot markierte) Schaltstrecke entweder die Netzspannung an den Primärwickel des  Netztransformator legen, oder den Pluspol der +90 V Batterie an die Anodenspannungsleitung. Diese Schaltstrecke wurde also sehr viel stärker belastet und fiel entsprechend häufig aus. 

Weitergehende Kommentare zur Belastung von Netzschaltern findet man im Beitrag " Netzschalter in Gleichstromradios".

   

 

 

 

 

 

 

Ich habe den Schalter zwar zerlegt und die Kontakte gereinigt, aber die Kontaktoberflächen waren durch Funkenerosion bereits so nachhaltig geschädigt, dass ich ich den Rettungsplan aufgegeben habe. Ein  2 MΩ log Poti passender Baugröße mit doppelpoligem Schalter und abgeflacher Achse war nicht auffindbar. Stattdessen wurde das Poti aus dem Pinguin M59 Teileträger verwendet. Dieses verfügte zwar über einen zusätzlichen Zugschalter, der aber totgelegt wurde. Die Einbauhöhe passte trotz des zusätzlichen Schalters perfekt, das Poti war kratzfrei und die Schaltkontakte intakt.

Leider hatte die Achse keine Abflachung. Bei der nachträglichen Aufbringung mit der Feile oder Fräsmaschine muss man darauf achten dass die Fläche im eingabauten Zustand in Stellung "AUS" nach oben zeigt. Sonst stimmt die Winkelstellung des Stellrads nicht!

So sieht es im eingebauten Zustand aus:

 

 

 

 

 

 

 

 

 

 

 


4.5     Antennenanschluss

Für die Vervollständigung des Gerätes fehlte nun noch die Teleskopantenne, sowie die Antennen - und Erdverbindungen zwischenden Gehäuseeinbauten und dem Chassis. Das entpuppte sich als komplizierter als gedacht, da das Schaltbild nicht den im Gerät vorgefundenen Verbindungen entsprach:

 

 

 

 

 

 

 

 

Zwar ist der Antennen Koppelkondesnator 2 nF Pos. 1 sowie ein Verbindungsdraht von der Erdbuchse zum Lautsprecherkorb vorhanden, jedoch fehlt ein Hinweis darauf, wohin die anderen von der Befestigungsschelle des Lautsprechers abgehenden gelben Drähte führen. Einer dieser Drähte ist zu einer Spule gewickelt.

Beim Vergleich des Schaltbilds mit dem des Folgemodells Pinguin U56 klärt sich dieser Punkt.

 

 

 

 

 

 

 

 

 

 

 

 

 

 

 

Somit ergeben sich folgende Verbindungen:

Die Spule führt von der Lautsprecherschelle auf die im vorliegenden Gerät fehlende Zierblende, der gelbe Draht führte ans Chassis und legte damit den Lautsprecherkorb und die Zierblende an Masse. Chassis, Lautsprecher und Zierblende dienten also als elektrisches Gegengewicht zur Stabantenne.

Die hier nicht sichtbare Teleskopantenne ragt im ausgezogenen Zustandetwa 75 cm aus dem Gehäuse, hat also eine für UKW - Empfang akzeptable Länge.

 


 

4.6     Chassisaufhängung, Pertinax - Abdeckungen

Nach dem Einbau des Chassis fiel mir etwas auf, dass mich schon früher verwirrt hatte. Beim Drücken der Wellenbereichstasten bewegt sich das Chassis im Gehäuse nach hinten. Dadurch  werden die Verbindungsdrähte zur UKW - Box - insbesondere das Koaxkabel für die ZF - Auskopplung - mechanischer Spannung ausgesetzt und ein Drahtbruch war vorprogrammiert!

Der Grund hierfür liegt in der Tatsache, dass das Chassis ursprünglich für eine Aufhängung an 4 Stehbolzen konzipiert war. Beim Modell Pinguin M55 kann man das deutlich erkennen (rote Pfeile)

 

 

 

 

 

 

 

 

 

Beim Pinguin U55 ist das Chassis aber nur an 3 Punkten (im rechten Bild links unten, rechts unten, rechts oben) aufhängt ist. Das liegt daran, dass in der UKW - Version U55 das vierte Loch durch die UKW - Box verdeckt wurde (rote Pfeile):

 

 

 

 

 

 

 

 

Es fällt mir zwar schwer zu glauben, dass die Entwicklungsingenieure das so hingenommen haben, aber ich habe keinen vierten Befestigungspunkt gefunden.

 

Es stellte sich somit die Frage, wie man hier Abhilfe schaffen kann, ohne zuviel zu ändern. Dabei kam mir der glückliche Umstand zu Hilfe, dass das Gehäusedach von den Innenseite mit einer 4 mm breiten Nut versehen ist, in welche die Rückwand - Kugelschnepper einrasten. Diese Nut war zwar in meinem Fall mit dem Kunstlederbezug des Gehäuses abgedeckt, konnte aber mit einem Skalpell leicht freigelegt werden.

 

 

 

 

 

Da beim vorliegenden Gerät  - wie häufig bei diesen Geräten - die Pertinax - Abdeckung des Wellenschalters fehlte, habe ich diese aus 2 mm starkem Pertinax nachgefertigt, aber nach oben hin etwas länger bemessen, sodass sie perfekt in die erwähnte Gehäusenut eingiff. Sie dient nun als zuverlässiges Gegenlager beim Drücken der Wellenbereichstasten.

Im Originalzustand hat diese Pertinaxplatte noch eine mit zwei Hohlnieten befestigte Staub - Lippe, welche die Kontakte des Wellenschalters gegen von oben eindringenden Staub schützte. Auf diese Lippe wurde hier verzichtet.

 

 

Besitzern dieses Modells wird aufgefallen sein, dass auch die Pertinax - Abdeckung des Netztrafos fehlte. Auch diese wurde aus 2 mm Pertinax nachgefertigt, aber aus Gründen der sicheren Abdeckung der Netzspannung führenden Leitungen etwas größer bemessen. Die aufgeklebten Schaumstoffstreifen sorgen für eine stabilere Positionierung der Anodenbatterie.

 

 

 

 


 

4.7     Gehäuse

 

Sicher hat sich schon mancher Besitzer dieses Gerätes gefragt, warum das Gehäuse auf der Unterseite ein Loch, auf der Oberseite aber drei Löcher zeigt (rote Pfeile):

 

 

 

 

 

 

Das Loch im Gehäuseboden liegt unterhalb des Netztrafos, Selengleichrichters und der Heizungs - Vorwiderstände und garantiert durch den hindurchtretenden Luftstrom ein gewissen Maß an Konvektionskühlung. Da sich die Bauteile nicht sehr stark aufheizen, erwies sich die damit erzielte Kühlung offenbar als ausreichend.

Die Löcher im Gehäusedach dienten zwar auch der Luftabfuhr aber auch als Zugang zu den Einstellschrauben der Vorkreis - Trimmkondensatoren. Bei eingebautem Chassis wären diese nämlich, im Gegensatz zu allen anderen Einstellelementen nicht mehr zugänglich gewesen!

Das Modell U55 hatte zwar für die AM - Bereiche nur zwei Vorkreis - Trimmer, die Modelle M55 und K55 im gleichen Gehäuse aber drei!

 

 

 

 

 


 

 

 

 

Der Einfachheit halber hat man die Gehäuse immer mit drei Löchern versehen.

 


 

5     Zustand nach Abschluss der Restaurationsarbeiten

 

Nun noch einige Bilder des Gerätes nach Abschluss der Restaurationsarbeiten:

 

 

 

 

 

 

 

 

 

 

 

 

 

 

 

 

 

 


 

6     Schlussbemerkungen

 

Mancher Leser wird vermutlich enttäuscht sein, weil er sich ein "Happy End" in Form eines kompletten Pinguin U55 mit originaler Teleskopantenne (die mit dem karminroten Endzapfen), Frontblende und Eulenaugen - Stellknöpfen gewünscht hätte. Wie bereits eingangs erwähnt, war dies aber nicht das Ziel meiner Arbeiten, sondern lediglich die Wiederherstellung der Funktionalität.

Für die Suche nach den Fehlteilen wünsche ich dem Besitzer viel Glück!

Danksagung:

Franz-Josef Haffner danke ich für die Überlassung der Pinguin M59 und U59 Teileträger. Ohne diese Unterstützung wären die hier geschilderten Arbeiten nicht möglich gewesen. Danke Jupp!

Hans Michael Knoll danke ich für seine technischen Hinweise.

Harald Giese

Harald Giese, 13.Sep.24

Weitere Posts (1) zu diesem Thema.

Werte Sammlerfreunde,

kürzlich landete ein übel verbastelter Akkord Pinguin U55 auf meinem Tisch. Leider fehlen die "großen Eulenaugen" und der komplette Lautsprechergrill. Deshalb meine Frage: Vier Wellenbereiche und nur drei Tasten- wie geht das? Vermutlich muß man zwei Tasten gleichzeitig drücken, um in den UKW- Bereich zu kommen, aber welche? Vielleicht gibt es hier einen Kundigen, der mir Näheres über die Bedienung dieses Radios erklären kann.

MfG

Mario Böhme

Mario Böhme, 15.Jul.24

Weitere Posts (3) zu diesem Thema.