TV-2119
Phonola SA, FIMI; Saronno (VA)
- Country
- Italy
- Manufacturer / Brand
- Phonola SA, FIMI; Saronno (VA)
- Year
- 1956
- Category
- Television Receiver (TV) or Monitor
- Radiomuseum.org ID
- 175084
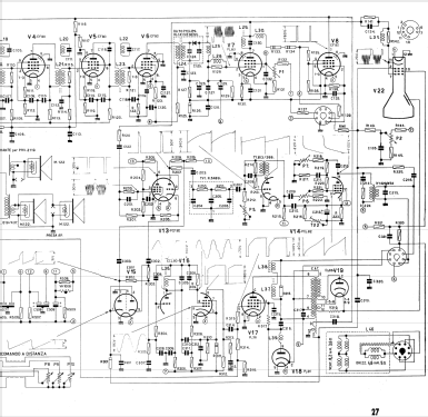
Click on the schematic thumbnail to request the schematic as a free document.
- Number of Tubes
- 22
- Valves / Tubes
- PCC84 PCF80 EF80 EF80 EF80 EF80 PL83 EF80 EF80 EF80 EABC80 EL84 PCF80 PCL82 EB91 ECL80 PL36 PY81 5X4G 5Y3 DY86 MW53-80
- Main principle
- Superheterodyne (common)
- Wave bands
- Wave Bands given in the notes.
- Details
- Remote Control (with wire or wireless)
- Power type and voltage
- Alternating Current supply (AC) / 100-270 Volt
- Loudspeaker
- Permanent Magnet Dynamic (PDyn) Loudspeaker (moving coil)
- from Radiomuseum.org
- Model: TV-2119 - Phonola SA, FIMI; Saronno VA
- Shape
- Tablemodel, with any shape - general.
- Notes
- Cinescopio 21" 90° tipo sferico-elettrostatico.
VHF (S9).
FI 4 stadi 40 MHz sistema intercarrier.
Interruttore a chiave.
Presa comando a distanza.
- Literature/Schematics (1)
- -- Schematic (Schemario dei Televisori Phonola 1952 al 1964)
- Author
- Model page created by Eduard Abfalterer. See "Data change" for further contributors.
- Other Models
-
Here you find 717 models, 464 with images and 545 with schematics for wireless sets etc. In French: TSF for Télégraphie sans fil.
All listed radios etc. from Phonola SA, FIMI; Saronno (VA)