• Jahr
  • 1930–1932
  • Kategorie
  • Rundfunkempfänger (Radio - oder Tuner nach WW2)
  • Radiomuseum.org ID
  • 4500

Klicken Sie auf den Schaltplanausschnitt, um diesen kostenlos als Dokument anzufordern.

 Technische Daten

  • Anzahl Röhren
  • 4
  • Hauptprinzip
  • Geradeaus oder Audion mit Rückkopplung; 2 NF-Stufe(n)
  • Anzahl Kreise
  • 1 Kreis(e) AM
  • Wellenbereiche
  • Langwelle, Mittelwelle (LW+MW).
  • Spezialitäten
  • Plattenspieler (oder Wechsler)
  • Betriebsart / Volt
  • Wechselstromspeisung / 105-220 Volt
  • Lautsprecher
  • Dynamischer LS, mit Erregerspule (elektrodynamisch)
  • Material
  • Gerät mit Holzgehäuse

Die GFGF Zeitschrift Funkgeschichte bringt interessante Artikel zu Radios, Funkwesen und Medien. Bei Radiomuseum.org finden Sie die vollständigen Hefte früherer Ausgaben als PDF zum Download.

  • von Radiomuseum.org
  • Modell: Arcofar 1000 - T1000W - Telefunken Deutschland TFK,
  • Abmessungen (BHT)
  • 520 x 430 x 440 mm / 20.5 x 16.9 x 17.3 inch
  • Bemerkung
  • Gleichrichterröhren in der Röhrenbestückung RGN2004 oder 2 x RGN1054

    Preis in Österreich komplett mit Telefunken Röhren ATS 850.-

  • Nettogewicht
  • 30 kg / 66 lb 1.3 oz (66.079 lb)
  • Originalpreis
  • 490.00 RM
  • Schaltungsnachweis
  • Lange + FS-Bestückungstabellen
  • Literatur/Schema (4)
  • -- Schematic
  • Bildnachweis
  • Das Modell ist im «Radiokatalog» (Erb) abgebildet.

 Sammlungen | Museen | Literatur

Sammlungen

Das Modell Arcofar befindet sich in den Sammlungen folgender Mitglieder.

Museen

Das Modell Arcofar ist in den folgenden Museen zu sehen.

 Forum

Forumsbeiträge zum Modell: Telefunken: Arcofar 1000 - T1000W

Threads: 3 | Posts: 4

T1000 Arcofar: Aufbau und Justierung des Tonabnehmers

 

1     Hintergrund

Nachdem ich kürzlich in dem Thread "Durchmesser von Grammophon - Nadeln" einen möglichen Einfluss des Nadeldurchmessers auf die Klangqualität des TELEFUNKEN T1000 ARCOFAR Plattenspielers zur Diskussion gestellt hatte, möchte ich nun auf den ursprünglichen Grund für diese Frage eingehen.

Seitdem ich mir in letzter Zeit auf dem ARCOFAR häufiger Schellackplatten über die ganze Spiellänge anhöre, ist mir aufgefallen, dass die Wiedergabe auf dem letzten Drittel der Platte sukzessive immer stärker verzerrte. Zunächst hatte ich die Nadeln und die korrekte Ausrichtung des Tonabnehmers in Bezug auf die Plattenoberfläche in Verdacht. Jedoch brachte weder eine Verwendung anderer Nadeln, noch eine bessere Ausrichtung des Tonarms eine merkliche Verbesserung. Kompetente Kollegen, konnten mich schnell davon überzeugen, dass diese Schwachstellen ja über die ganze Spiellänge einer Platte gleichbleibenden Einfluss haben müssten. Eine Reinigung und verbesserte Schmierung der Tonarmlager schien zu einer gewissen Besserung zu führen - aber kein wirklicher Durchbruch.

In einem kürzlichen Telefonat hat mir dann der Kollege R. Latzel geraten, das Tonabnehmersysten einer genauen Inspektion zu unterziehen und dies noch einmal in seinem Post 6 im letzten Thread bestätigt. Auch W. Zylka hatte zu einer solchen Massnahme geraten.

Über das Ergebnis dieser Inspektion möchte ich hier berichten.

Vielleicht fragt man sich, warum bei einem Fehler im Tonabnehmersystem die Verzerrungen nicht über die gesamte Spiellänge einer Platte gleichermaßen auftreten. Der Grund ist vermutlich, dass die Informationsdichte auf den inneren Rillen - entsprechend dem geringeren Umfang - größer ist als auf den äußeren. Bei einem Durchmesserverhältnis der äußersten zur innersten Rille von einem Faktor 2 muss die Nadel also auf der innersten Rille den seitlichen Auslenkungen der Modulation (Seitenschrift) um einen Faktor 2 schneller folgen können. Man kann sich also vorstellen, dass sich z.B. eine Ungenauigkeit in der elastischen Aufhängung des Schwingankers / Nadelhalters im inneren Teil der Schallplatte deutlicher bemerbar macht.


 

2     Der ursprüngliche Zustand

Hier noch einmal ein Bild des ARCOFAR Tonabnehmers ohne Abdeckkappe im Fundzustand:

 

 

 

 

 

 

 

 

 

 

 

 

Zwischen den unteren Enden des Hufeisenmagneten liegt die von den zangenförmigen Polschuhen umfasste Pick - Up - Spule. Zentrisch in dieser Spule ist der Schwinganker aufgehängt, aus dessen unterem Ende die Nadel herarusragt (fehlt im Bild). Die der Seitenmodulation der Schallplattenrillen folgende Nadel wird in laterale Schwingungen versetzt. Die von der Nadel auf den fest mit ihr verbundenen Schwinganker übertragenen Schwingungen führen zu einer zeitlichen Veränderung des Magnetfeldes im Innern des Spule und damit zu einer zeitlich veränderlichen Spannung an deren Anschlüssen - das bekannte Wirkungsprinzip eines magnetischen Tonabnehmers.

Das obere, zungenförmig abgeflachte Ende des Schwingankers ist zwischen 2 Gummipuffern eingeklemmt, deren seitliche Position durch Madenschrauben verstellt und somit der Schwinganker im Polschuh - Luftspalt zentriert werden kann.

Um eine seitliche Auslenkung des Schwingankers zu erlauben, ist dessen unterer Teil auf der Höhe der Nadel - Arretierschraube elastisch in Gummilagern gefasst, die durch zwei verstellbare, ausgekehlte Halteklammern in ihrer Position fixiert werden. Man sieht auf den obigen Bildern deutlich, dass der Schwinganker ursprünglich dezentriert in den Gummilagern hing und der Gummi des vorderen Lagers beschädigt war.

Hier ein Bild des aus dem Tonabnehmer demontierten Schwingankers und seiner Gummilager. (Schwinganker und Gummilager wurden für dieses Bild um 90° gedreht ):

 

 

 

 

 

 

 

 

 

 

 

 

 

 

 

 

 

 

 

 

 

 

 

 

 

 

 

 

 In Ermangelung passenden Ersatzes wurden zunächt beide Gummilager weiterverwendet.

 

 

 

Gravierender war der Umstand, dass die verjüngte, obere Partie des Schwingankers, die Ankerzunge, stark verbogen war. Ich hatte damals versucht, sie vorsichtig zu richten, was allerdings nicht perfekt gelungen war. (rechtes Bild). Weitere Biegeversuche wurden nicht unternommen, da ich befürchtete, die Zunge könnte abbrechen.

 

 

 

 


 

3     Die Neujustierung

Den Anregungen der Kollegen Latzel und Zylka folgend, habe ich den Tonabnehmer noch einmal zerlegt und zeige hier die Bilder der schrittweisen Neumontage.

Die ursprünglichen Gummilager wurden nun durch ein von den Abmessungen her sehr ähnliches Schlauchmaterial ersetzt. Die seitlich aus dem Schwinganker herausragenden Lagerachsen haben einen Durchmesser von 2,8 mm, der von den Halteklammern umfasste Durchmesser liegt bei 4 mm. Das jetzt verwendete Schlauchmaterial liegt bei di = 2,5 mm / da =4 mm,  wird also beim Aufziehen minimal geweitet. Allerdings habe ich den Eindruck, als wäre dieses Material weniger flexibel als das ursprünglich verwendete. Vermutlich wäre das von Wolfram Zylka genannte Silikon-Material günstiger. Habe ich aber bisjetzt nicht in den passenden Abmessungen gefunden.

 

 

 

 

 

 

 

 

 

 

Die Gummipuffer und Madenschrauben zur seitlichen Ausrichtung des Schwingankers:

 

 

 

 

 

 

 

 

 

 

Der Schwinganker liegt noch lose in der Führung:

 

 

 

 

 

 

 

 

 

 

 

Im letzten Schritt werden die Halteklammern für die Gummilager angesetzt.

 

 

 

 

 

 

 

 

 

 

 

 

 

Betrachtet man die Bilder im fertig montierten Zustand, so hat man den Eindruck, als hätte sich mit Ausnahme der neuen Gummilager gegenüber dem früheren Zustand nichts geändert. Dieser Eindruck täuscht!

Die Schwinganker - Zunge steht jetzt sehr viel genauer mittig zwischen den Polschuhen  - was man auf den Bildern nicht so genau erkennt. Bei der Zentrierung des Schwingankers muss man auf folgendes achten:

Zunächst sollte man im letzten Montageschritt die Halteklammern nur leicht an die Gummilager anlegen, sodass sich diese noch geringfügig seitlich bewegen können. Danach justiert man die Madenschrauben der Gummipuffer für die Zentrierung der Schwinganker - Zunge. Erst danach legt man die Halteklammern fest an die Gummilager an und fixiert deren Halteschrauben.

Hält man diese Reihenfolge nicht ein, kann folgendes Prolem auftreten:

Hat man die Halteklammern bereits fest an die Gummilager angelegt und justiert danach die Madenschrauben der Gummipuffer so kann es anhängig von der anfänglichen Position der Zunge (mehr oder weniger exzentrisch) dazu kommen, dass die Gummilager durch die Kipp - Bewegung etwas tordiert werden. Die Schwinganker - Achsen haften nämlich stark an den Gummlagern und letztere ebenso fest an den Halteklammern.

Die Gummilager erfahren somit eine gewisse mechanische Vorspannung, die sich beim Abspielen einer Platte der lateralen Deformation des Gummis durch die Nadelauslenkung überlagert. Dies führt bei Nadelauslenkung nach links oder rechts zu unterschiedlichen Kräfteverhältnissen (Rückstellkräften) und ist sicher einer sauberen Abtastung nicht zuträglich - auch wenn über den Einfluss auf die Wiedergabequiltät an dieser Stelle keine quantitative Aussage gemacht werden kann. 

4    Ergebnis

Die früher im letzten Plattendrittel beobachteten Wiedergabeverzerrungen treten nun nach Austausch der Gummilager und sorgfäliger  Justierung des Schwingankers nicht mehr auf.

Trotzdem ist ein Austausch der Gummilager durch solche aus elastischerem Material vorgesehen.

Vielen Dank an alle Kollegen, die sich an dieser Diskussion beteiligt und so zum Erfolg beigetragen haben!

Harald Giese

Harald Giese, 16.Jan.22

Weitere Posts (1) zu diesem Thema.

Vor einiger Zeit erwarb ich dieses Gerät von einem befreundeten Sammler, der mich beim Kauf mit der Bemerkung vorwarnte: "Vermutlich ist da einiges umgebaut worden". Diese Vorwarnung schreckte mich zunächst wenig, da ein Blick auf die in RMorg zum Modell hochgeladenen Schaltungsunterlagen einen denkbar simplen Aufbau zeigten. Wie sich dann aber im Verlauf der Restaurationsarbeiten zeigte, fehlten einige ganz wesentliche Baugruppen. Nun litt der ARCOFAR, wie viele andere Geräte der gehobenem Preisklasse unter "Dokumentationsdefizit" und es war schwer zu erahnen, wie diese Baugruppen wohl ausgesehen haben könnten. Nur durch die tatkräftige Mithilfe der RMorg Mitglieder W. Zylka, Chr. Steinecke, D. Rudolph, A. Peukert; A. Prangenberg und H. M. Knoll gelang die vollständige Restauration dieses schönen Gerätes, das sich jetzt so präsentiert:

 

 

Die Rückwand und das Typenschild:

 

 

1    Die Schaltung

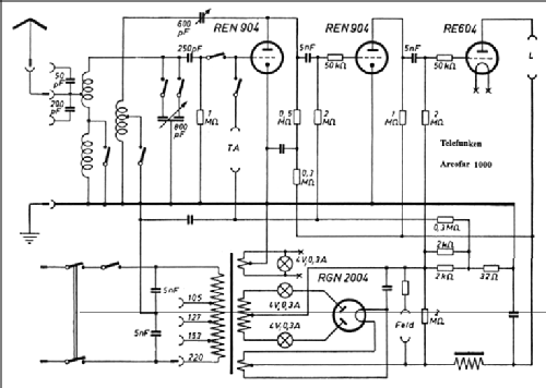
Schaut man sich die für dieses Gerät verfügbaren Schaltungen an, so stellt man mit großer Enttäuschung fest, dass die meisten schwerwiegende Fehler enthalten oder einige Bauteile keine oder fehlerhafte Wertangaben haben. Dabei ist die Schaltung wirklich bestechend einfach. Auf ein rückgekoppeltes Audion mit einer REN904 folgt eine 2. Röhre REN904 als NF-Ververstärker und eine RE604 als Leistungsverstärker.

Da die Feldwicklung des Lautsprechers parallel zur Anodenspannungsversorgung liegt, musste man 2 Gleichrichterröhren vom Typ RGN1054 parallel einsetzen (wahlweise ersetzbar durch eine RGN 2004) die in ihren Anodenzuleitungen als Überstromsicherungen zwei Glühbirnen 4,5V / 350mA verwendeten. Diesen Wert findet man übrigens nur in der Stückliste zum Tfk-Originalschaltbild. Andere Schaltbilder nennen einen leicht abweichenden Wert 4V / 0,3A.

Für die Abstimmung verwendete man einen ~360° Differentialdrehko, bei dem bei MW das eine und bei LW das gegenüber liegende Statorpaket verwendet wird. Dies hat den Vorteil gleichsinniger Frequenzänderung bei gleichsinniger Bewegung des Abstimmknopfes. Hätte man wie beim DKE einen 360° Einfach-Drehko zur Überstreichung beider Wellenbereiche verwendet, so hätte man bei gleichsinnigem Betätigen des Abstimmknopfes am LW-MW Umschaltpunkt einen Sprung von der tiefsten LW- zur tiefsten MW-Frequenz erhalten. Bei Wahl eines Differentialdrehkos beginnt man dagegen von der tiefsten LW-Frequenz kommend mit der höchsten MW-Frequenz.  

Von besonderem Interesse war für mich der Aufbau des Eingangskreises, da dieser bei meinem Gerät von einem Vorbesitzer stark modifiziert worden war und ein Rückbau auf den Originalzustand angestrebt wurde. 

Vergleicht man die Darstellung des Eingangskreises im Schaltbild von Lange-Nowisch mit der Realität, so wird man später sehen, dass nur noch eine entfernte Ähnlichkeit mit den wahren Begebenheiten vorliegt:

In dieser Schaltung wird der Eingangskreis so dargestellt, dass links die Kreisspulen liegen und rechts die Rückkopplungsspulen und es wird suggeriert, dass diese magnetisch miteinander gekoppelt sind (vielleicht vom VE301 abgeschaut?) Jedenfalls ist die Darstellung der Spulen vollkommen irreführend. Ungeklärt ist auch, warum in Lange-Nowisch der Abstimmkondensator mit 800pF angegeben wird, in der Tfk-Dokumentation und im ART-Schaltbild aber übereinstimmend mit 720pF.

Schon viel realistischer (was man wohl auch hoffen sollte) ist das Schaltbild in der Telefunken- Originaldokumentation: 

Abgesehen von der offensichtlich falschen Angabe des Serienwiderstandes (2MΩ anstatt 2kΩ) in der Zuleitung der Lautsprechers - Feldspule, sind die Werte nahe an der Wirklichkeit. Nicht besonders transparent finde ich die Darstellung des Eingangskreises inklusive seiner Umschaltkontakte. Im folgenden wird man aber sehen, dass man mit einem gewissen Mass an Phantasie die Wahrheit herauslesen kann.

Das Schaltbild, das die größte Ähnlichkeit mit der Realität trägt, ist das von A.R.T., hier bereits korrigiert/erweitert durch die von mir gemessenen Kapazitätswerte einiger nicht spezifizierter Kondensatoren und den Erregungs-Vorwiderstand (2kΩ):

Das ART Schaltbild besagt, dass bei MW die untere Anzapfung der rechten Spule auf Masse gelegt wird. Da das obere Ende dieser Spule mit dem Abstimmdrehko verbunden ist, und die Antenneneinkopplung an eine weitere Anzapfung führt, schließt man sofort, dass die rechte Spule die eigentliche Schwinkreisspule ist.

Ebenso wird bei MW auch die Anzapfung der linken Spule auf Masse gelegt. Somit wären die unteren Teile der beiden Spulen miteinander kurzgeschlossen und auf Masse gelegt. Da das obere Ende der linken Spule auf den RK-Drehko führt und darüberhinaus die ganze Spule auch noch noch kleiner gezeichnet ist, suggeriert dies unmittelbar, dass es sich hier um die Rückkopplungsspule handelt.

Bei LW öffnen die beiden vorgenannten Schaltkontakte und das untere Ende der beiden Spulen wird auf Masse gelegt. Im Prinzip sieht diese Art der Umschaltung ganz vertraut aus und könnte so durchaus funktionieren.

Unglücklicherweise stimmt es aber nicht. Man findet zwar im Eingangsbereich des Empfängers tatsächlich 2 Spulen - diese koppeln aber überhaupt nicht aufeinander. Wo steckt nun der Fehler? Die Antwort: Der MW-LW Umschalter am Fuß der linken Spule ist falsch gezeichnet! Richtig muss es so aussehen:

 

Bei MW überbrückt der Schalter den unteren Teil der linken Spule (Anschlüsse 2-3)  -  er schließt ihn nicht nach Masse kurz!

Bei LW verbindet er Anschluss 2 mit Masse.

Nun fragt man sich so langsam, wo denn eigentlich die Kreisspulen und wo die Rückkopplungsspulen sind. Wie bereits gesagt, sind die linke und die rechte Spule so angeordnet, dass sie nicht miteinander koppeln; trotzdem müssen aber die Spulenverbindungen so organisiert sein, dass sowohl bei MW als auch bei LW die RK-Spule mit der Kreisspule koppelt. Das wurde auf ganz ungewöhnliche Art erreicht:

MW-Kreispule: der zwischen den Anschlüssen 1 und 3 liegende obere Teil der rechten Spule.

MW-RK-Spule: der zwischen den Anschlüssen 3 und 4 liegende untere Abschnitt der rechten Spule. Dieser RK-Spule liegt der obere Teil der linken Spule zwischen den Anschlüssen 1-2 als Drosselspule in Reihe. (Die Sektion 2-3 der LW-Spule wird ja bei MW über den linken Schalter kurzgeschlossen.)

Nun muss man bedenken, dass der durch diese Drossel fließende Rückkopplungsstrom in der kurzgeschlossenen Sektion 2-3 der LW-Spule einen Kreisstrom induziert, der die Induktivität der Drossel aufgrund der engen magnetischen Kopplung stark absenkt. Die Induktivität dieser Drossel wurde mit R&S LARU gemessen und ergab folgende Werte: 82µH wenn die untere Sektion 2-3 der LW-Spule offen ist, aber nur 40µH wenn die Sektion 2-3 kurzgeschlossen ist. Schaut man sich den induktiven Widerstand RL= 2*π*f*L der Drossel bei den Mittelwellen-Eckfrequnzen an, so erhält man  RL=125 Ohm bei 500kHz und RL=375 Ohm bei 1500kHz. Dies musste bei der Dimensionierung der Rückkopplung natürlich berücksichtigt werden

LW-Kreispule: der zwischen den Anschlüssen 2 und 3 liegende Teil der linken Spule in Reihe geschaltet mit der kompletten rechten Spule (Anschlüsse 1-4).

LW-RK-Spule: der zwischen den Anschlüssen 1 und 2 liegende obere Abschnitt der linken Spule.

Noch einmal zum Telefunken Schaltbild:

Es drängt sich die Frage auf, warum bei Telefunken schon in der Originaldokumentation die LW-Kreisspule mit viel weniger Windungen gezeichnet wurde, als die MW-Spule. Damit fing dann die ganze Verwirrung an und spätere Schaltungszeichner hielten die komplette Spule 4 für die Rückkopplungsspule.

 

 

 

2     Technische Beschreibung

Entfernt man von dem Gerät die Rückwand, so erkennt man, dass sich der Aufbau des Gerätes im wesentlichen in folgende 3 Baugruppen gliedert:

 

1. Links die elektrische Haupteinheit mit Audion, NF-Vor- und Leistungsverstärker und Stromversorgung (in diesem Bild noch ohne Röhren),

2. den elektrodynamischen Lautsprecher mit Ausgangstrafo rechts unterhalb des Grammophonmotors, und 

3. das elektrisch betriebene Grammphon mit Stufenschalter (rechts im Bild) und Vorwiderständen zur Anpassung an unterschiedliche Netzspannungen.

2.1 Demontage

Die Demontage der Baueinheiten erweist sich insofern als relativ einfach, als die wesentlichen Verbindungen über Stecker erfolgen. Dies sind (i) die Zuleitung von der Endstufenröhre zum Ausgangstrafo, (ii) die Vebindung vom Netzteil zur Lautsprecher-Feldwicklung, und (iii) die Phonoleitung vom Grammophon zum Betriebsartenschalter. Lediglich die Netzspannungszuführung und die Verbindung zum Serviceklappenschalter sind geschraubt.

Auf diesem, im frühen Stadium der Restaurationsarbeiten aufgenommenem Bild sieht man die 3 Steckverbindungen:

Vor der Demontage der Baueinheiten ist es anzuraten, zusätzlich zur Rückwand auch die Türen und die 2 Frontblenden zu demontieren. Die Baueinheiten sind sehr schwer und bei beidseitiger Öffnung des Gehäuses kann man mit beiden Händen zugreifen und die Einheiten behutsam aus dem Gehäuse maneuvrieren.

 

.

So präsentiert sich das Gehäuse nach Entfernen der Baugruppen:

Links hinten erkennt man die Vorwiderstände des Grammophonmotors. Im linken Teil der größen Höhlung auf der Gehäuseoberseite liegt die Tragplatte des Grammophons.

Rechts sieht man die Serviceklappe die zum Austausch der darunter auf der Haupteinheit steckenden Röhren hochgeklappt werden muss. Das Schild ziegt die Röhrenanordnung: v.l.n.r.: RE604 REN904m REN904m, darunter RGN 1054 RGN1054. Das "m" in der Röhrenbezeichnung REN904m ist das Kürzel für "metallisiert". (Frühe REN904 Röhren trugen noch keine Metallisierung!).

Interessant ist die Tatsache, dass der optionale Einsatz einer RGN 2004 nicht erwähnt wird.

An unteren Ende trägt die Serviceklappe einen Drahtbügel, der bei Öffnen der Klappe die Netzverbindung unterbricht.

2.2 Die Haupteinheit

Das Problem, mit dem ich mich bei der technischen Beschreibung konfrontiert sah, war folgendes:  In meinem eigenen Gerät war das Hochfrequenzteil bis zur Unkenntlichkeit umgebaut worden. Um dem Leser trotzdem einen möglichst genauen Eindruck vom originalen Aussehen zu vermitteln, habe ich von meinem eigenen Gerät nur solche Bilder ausgewählt, auf denen die Umbauten nicht sichtbar sind. In Fällen wo dies nicht vermeidbar war, werden sie entsprechend kommentiert. Ansichten, bei denen die Umbauten den Leser in diesem Teil des Berichts unnötig irritiert hätten, stammen aus den Geräten von W. Zylka und Chr. Steinecke, die einer Publikation an dieser Stelle zugestimmt haben.

Auf der ersten Aufnahme erkennt man im Vordergrund die große Rundskala mit 2 Schleppzeigern (liegen hier gerade hintereinander)  

Arretiernadel  

 Frontansicht                                                                                                Rückansicht                                    

Durch eine, unter Federdruck stehende Arretiernadel im unteren Teil der Skalenblende, können diese Schleppzeiger beim Abstimmvorgang festgehalten werden. Hat man den gewünschten Sender eingestellt, lässt man die Arretiernadel los und hat von da an die Senderlage auf der Skala durch einen Zeiger markiert.                                                                                                            

Unterhalb der Skalenscheibe sieht man 2 Vierkant-Achsstummel. Der linke gehört zum Rückkopplungsdrehko, der rechte zum Betriebsartenschalter (3 Stellungen: AUS, Radio, Grammophon)

Die Umschaltung des Wellenbereichs erfolgt bei diesem Gerät NICHT durch ein nach draußen geführtes Bedienelement, sondern durch einen Schaltnocken auf der Rückseite der Skalenscheibe. Beim Übergang von der schwarzen (MW) zur roten Skalenteilung (LW) greift dieser Nocken in eine Schaltwippe (im folgenden auch als Rastplatte bezeichnet) ein, die den Wellenschalter umwirft. Dieser direkt über dem Betriebsartenschalter liegende Wellenschalter wird später noch im Detail beschrieben werden.

 

In der Rückansicht sieht man oben wieder die Skalenscheibe mit dem Schaltnocken der gerade an dem von hinten gesehen rechten Anschlag liegt. Auch der Differential-Abstimmdrehko ist gut erkennbar. Links oben im Bild sieht man die beiden Spulen des Audion Eingangs. Diese werden im folgenden Abschnitt des Berichts detailliert beschrieben.

Der rot/orange farbene Kondenstor ist nicht original, ebenso wie der Feinsicherungshalter der von einem Vorbesitzer auf die E10 Fassungen der 4,5V / 0,35A Glühbirnen in den Anodenzuführungen der Gleichrichterröhre(n) gelötet wurde!

Ebenfalls gut erkennbar sind die zur Verbindung der einzelnen Schaltpunkte verwendeten Messingstreifen. Solche Streifen gibt es auch auf der Unterseite der Platine - die Kontaktierung zwischen oberen und unteren Streifen erfolgt durch Hohlnieten. Eine frühe Version eines double-layer printed circuit board. Unglücklicherweise sind diese Kontaktierungen über die Jahre häufig korrordiert und verursachen mysteriöse Funktionsfehler. 

Hier noch 2 Bilder mit der Unteransicht der Haupt- und Gleichrichterplatine: Alle Kondensatoren und Widerstände sind zwischen Bronze-Federkontakten eingeklemmt. Auch hier ist schlechte Kontaktgabe ein ständiges Problem.

Der rote Umriss deutet die originale Form an. Die hier abgebldete Platine befindet sich in meinem Gerät. Sie wurde ausgeklinkt um einem größeren Drehko Platz zu machen. Die langen Messinglaschen sind direkt mit den Anschlüssen des Netztrafos verlötet.

Das folgende Bild zeigt die Haupeinheit von unten:

Unten links der Netztrafo, unten rechts die Siebdrossel, im Zentrum der große Sammelkondensator. Letzterer hatte sich bei meinem Gerät so stark ausgedehnt, dass er den sehr stabilen Winkelstahlrahmen der Haupteinheit auseinander gedrückt hat. Bei dem oben sichtbaren, rot umrandeten)  Potentiometer handelt es sich um einen von einem Vorbesitzer eingebauten zusätzlichen Lautstärkeregler. Dieser wurde im Rahmen der Restaurationarbeiten wieder entfernt.

 

2.3 Audionspulen

Die folgenden Bilder zeigen Nahaufnahmen der Spulen. Im Gerät von Chr. Steinecke sind beide Spulen aus Cu-Volldraht gewickelt!

Um in der Fertigung ein Abgleiten der Windungen zu vermeiden, wurden die einzelnen Spulensektionen mit Abbunden gesichert:

 

 

Im Gegensatz hierzu finden sich im Gerät von W. Zylka Spulen, die aus HF-Litze gewickelt sind. Überraschenderweise sind die Positionen der MW und LW Spule auf der Spulenträgerplatte vertauscht; die Verdrahtung ist aber identisch zu den Volldrahtspulen ausgeführt.

Möglicherweise ist TELEFUNKEN im Verlauf der Produktion von Volldraht auf HF-Litze-Spulen übergegangen, um die Spulengüte und hierdurch die Trennschärfe der Geräte zu verbessern

 

2.4 Wellenbereichsschalter

Direkt unterhalb der Spulenträgerplatte und mit derselben eine mechanische Einheit bildend, liegt der Wellenbereichsschalter. Alle Schalter sind so aufgebaut, dass isoliert auf eine Vierkantachse aufgenietete Metallplättchen (versilberter Stahl)  gegen geschwungene Federbronze-Zungen gepresst werden. Nach Abnehmen der Antennnen-Anschlussplatte erkennt man die 6 Federbronze-Zungen des Schalters:

In den folgenden Bildern ist das Schließschema des Wellenbereichsschalter dargestellt : Die 6 Schaltzungen "a" - "f", sind dem Schaltbild folgendermaßen zugeordnet:

Wellenschalter in Position MW

 

 

 

 

 

  • Die beiden Statoranschlüsse des Differential-Abstimmdrehkos liegen an "a" und "c", Schaltzunge "b" am Hochpunkt der MW-Spule (Anschluss 1). Eine Brücke (rote Linie) zwischen "b" und "c" legt den Anschluss 1 der MW-Spule an ein Statorpaket.
  • Schaltzunge "d" liegt am Anschluss 3 der MW-Spule und verbindet diesen mit Masse. Die Masseverbindung des zugehörigen Schleifkontaktes erfolgt durch einen Cu-Niet (gestrichelte rote Linie), der das obere mit dem unteren Kontaktplättchen verbindet; letzteres ist über einen flexiblen Draht mit dem Chassis verbunden.
  • Schaltzunge "e" liegt an Anschluss 2 der LW-Spule.
  • Schaltzunge "f" liegt an den miteinander verbundenen Fußpunkten "3" und "4" der LW und MW-Spulen.
  • Bei MW-Empfang werden die Schaltzungen "e" und "f" gebrückt (rote Linie).

 

Wellenschalter in Position LW

 

 

 

 

  • Schaltzunge "b", der Hochpunkt der MW-Spule (Anschluss 1), ist jetzt über eine Brücke mit dem an Schaltzunge "a" liegenden Statorpaket verbunden.
  • Schaltzungen "c", "d" und "f" sind offen. Damit ist der untere Teil der LW-Spule nicht mehr kurzgeschlossen.
  • Die mit Anschluss "2" der LW-Spule verbundene Schaltzunge "e" liegt nunmehr an Masse.

 

Abschließend noch ein Bild, das die Masseverbindung des Kontaktplättchens verdeutlicht, das in Stellung MW die Schaltzunge "d" kontaktiert und damit Anschluss "3" der MW Spule auf Masse legt. Das Bild wurde von der Gegenseite der Schaltzungen aufgenommen und zeigt auch noch einmal die Form der Kontaktplättchen aus versilbertem Stahl:

 

 

 

 

 

2.5 Betriebsartenschalter

Direkt unterhalb der Wellenbereichsschalters liegt der Betriebsartenschalter. 

Die 2 Schaltzungen auf der linken Seite bilden den Netzschalter; über die 3 Zungen auf der rechten Seite legen Kontaktplättchen das Gitter der 1. REN904 wahlweise an den Eingangskreis oder an die vom Grammophon kommende Phonoleitung.

 

 

 

 

 

 

 

Links oben liegt die Anschlussplatte für Antenne und Erde. Die im Schaltbild gezeigten Koppelkondensatoren zwischen "A" und "A1" (50pF) bzw. "A" und "A2" (200pF) sind als Glimmerkondensatoren ausgeführt, die mechanisch in die Anschlussplatte integriert sind. 

 

Hier die Antennen-Anschlussplatte von der Rückseite. Die Postionen der Koppelkondensatoren sind durch rote Pfeile angedeutet.

 

 

 

 

 

 

 

2.6 Der Lautsprecher

Mein ARCOFAR verwendet ein Telefunken Lautsprecherchassis vom Typ L.600 mit integriertem Ausgangstransformator. Wie mir von anderen Sammlern mitgeteilt wurde, verwendete Telefunken im Arcofar auch andere Lautsprecherchassis. Genaueres ist mir nicht bekannt.

Hier einige Daten des L.600:

Frontdurchmesser: 21 cm, Einbautiefe: 19 cm, Feldspulenlänge: 9cm, Durchmesser der Schwingspule: 4cm(!) Gewicht: 6,8 kg. An der Feldwicklung messe ich bei meinem Exemplar einen Gleichstromwiderstand von 4kΩ - die Telefunken-Dokumentation nennt: 3kΩ.

Das Membranenmaterial ist ungewöhnlich. Möglicherweise mit Schellack getränktes Papier?


Hier noch zwei Bilder des originalen (in meinem Gerät leider durchgebrannten) 2kΩ Vorwiderstandes der Feldwicklung: 

 

2.7 Das Grammophon

Neben dem üblichen Geschwindigkeitsregler durch Friktionshemmung am Fliehkraftregler des Antriebsmotors und einem Lautstärkeregler besitzt der Arcofar eine sehr lichtstarke (2 Birnen 4V/1,6W) seitliche Plattentellerbeleuchtung. Bei eingesteckter Beleuchtungseinheit liegt die im Bild linke Birne zentrisch hinter der Zelluloidskala

Lautstärkeregler:

Als Lautstärkeregler fand ein 80kΩ Drahtpoti des Herstellers GRAETZ-CARTER Verwendung. Diese Drahtpotis sind berüchtigt dafür, dass sich der Widerstand ihres Drahtwickels über die Jahre dramatisch erhöht - ein Faktor 5 über dem Sollwert wurde schon beobachtet. In meinem Gerät war darüber hinaus eine der beiden Kontaktierungen (Cu-Streifen) des Widerstandswickels abgerissen und musste ergänzt werden:

Abgesehen von den Änderungen des Widerstandswertes haben diese Potis bei Verwendung als Lautstärkeregler einen weiteren gravierenden Nachteil: Der Schleifer des Potis, der ja auf das Gitter der 1. Röhre REN904 führt, ist leitend mit der Drehachse verbunden. Das führt bei Annäherung der Hand an den Drehknopf des Potis zu einem starken Anstieg des Brumms. 

Die Summe dieser Schwachpunkte ist der Grund dafür, dass man heute kaum noch Geräte findet, in denen der originale GRAETZ-CARTER Lautstärkeregler verwendet wird. Auch in mein Gerät habe ich ein modernes, gekapseltes Poti mit von der Drehachse isoliertem Schleifer eingebaut.

Motor und Regler:

In meinem Gerät wird das Grammophon durch einen Wechselstrom-Kollektormotor des Herstellers Stehle angetrieben. Mir wurde von anderen Sammlern zu verstehen gegeben, dass im Arcofar auch andere Grammophonmotoren eingebaut wurden. Details sind mir nicht bekannt.

 

 

 

 

 

 

 

Übersetzungsgetriebe und Fliehkraftregler.

Das in der Abbildung noch fehlende 3. Gewicht des Fliehkraftreglers wurde im Verlauf der Restaurationsarbeiten ergänzt.

Vorschaltwiderstände:

Die niedrigste Betriebsspannung ist auf dem Netztrafo des Arcofar mit 105 V angegeben. Entsprechend ist auch die Betriebsspannung des Grammophonmotors für diese Spannung ausgelegt. Bei höheren Netzspannungen wurde der Grammophonmotor beim vorliegenden Gerät über eine Reihe von Vorschaltwiderständen betrieben. Diese - wie immer defekten - Widerstände sieht man im folgenden Bild:

Die Vorschaltwiderstände besaßen viele Abgriffe, damit man trotz der damals nicht besonders präzise eingehaltenen Netzspannung die richtige Einstellung wählen konnte, bei der die 78rpm innerhalb des Variationsbereiches der Friktionsbremse im Fleihkraftregler lagen. Der passende Abgriff konnte mit einem Drehschalter angewählt werden, dessen Bedienknopf durch eine Klappe in der Gehäuserückwand zugänglich war. Interessant fand ich die Kontaktierung der Abgriffe. Mangels ausreichenden Platzes für Abgreifschellen, hat man den Widerstandsdraht an den Abgriffpunkten mit Kupferlitze verwunden und diese dann an die Schleifkontakte des Drehschalters geführt.  Erstaunllich, dass diese Art der Kontaktierung bei den im Betrieb auftretenden großen Temperaturschwankungen eine ausrechend zuverlässige Kontaktierung garantierte!

 Kontaktierung mit Cu.Litze                                        Stellknopf zur Wahl eines passenden Abgriffs

Die defekten Widerstände wurde mit passendem Konstantandraht neu bewickelt. Auf die Anbringung der Abgriffe wurde hierbei verzichtet.:

Unten im Bild der neu eingesetzte 2kΩ Vorwiderstand für die Feldwicklung des Lautsprechers.

 

 

3     Restaurationsarbeiten

 

3.1 Haupteinheit

3.1.1 Überblick

Der weitaus größte Teil der Restaurationsarbeit befasste sich mit der Haupteinheit und hier im speziellen mit dem HF-Eingangsteil. Hier waren von den Vorbesitzern folgende Modifikationen vorgenommen worden:

  • Der ursprüngliche Hartpapier-Differentialdrehko wurde durch einen Luftdrehko ersetzt, der über einen neu eingebauten Seiltrieb betätigt wurde.
  • nach dem Einsatz eines neuen Drehkos wurde die Rundskala modifiziert.
  • Der Wellenbereichschalter und die Spulenträgerplatte wurden entfernt und dafür eine Spuleneinheit  ES-2 des Herstellers  HFWN (DDR Nachfolger der Fa. Görler) eingebaut.
  • Um diesen neuen Komponenten Platz zu schaffen, wurde der vordere Chassisrahmen aus Aluminium-Spritzguss umgearbeitet.

Weiterhin wurde zwischen Audionstufe und NF-Vorverstärker ein zusätzlicher Lautstärkeregler eingefügt. Diese Massnahmen erforderten 3 neue Durchbrüche durch die Frontplatte des Gerätes.

Die folgenden Bilder sollen einen Eindruck vom Ausmaß der vorgefundenen Änderungen vermitteln.

Zunächst die Frontplatte mit den 3 neuen Bedienelementen (rote Pfeile): Links oben: Senderwahl, rechts oben: Wellenbereich, unten Mitte: zusätzlicher Lautstärkeregler.

Der ursprüngliche Knopf für die Senderwahl war zwar noch vorhanden, wurde aber nicht mehr benötigt (grüner Pfeil) 

 

 

 

Nach Entfernen der Frontblenden erkennt man noch einmal die Achsen der neuen Bedienelemente und die modifizierte Befestigung der Rundskala an der Drehkoachse:

 

 

 

 

 

 

 

....

Die Skalenscheibe wurde mit 3 Schrauben am neu eingebauten Skalenseilrad befestigt. Schaltnocken und Führungsbuchse für die Schleppzeiger fehlen.

Die folgenden Bilder vermitteln einen Eindruck der veränderten Chassisaufbauten. Links das Originalchassis, rechts mein Gerät mit den vorgefundenen Umbauten:

 

Die erste Aktion bestand darin, sämtliche nachträglichen Einbauten zu entfernen, um den Zustand des Frontrahmens zu beurteilen.

Um Platz für die neuen Einbauten zu schaffen, hatte man entlang der rot eingefärbten Bruchkante Teile des Rahmens entfernt.

Glücklicherweise überließ mir der hilfreiche Kollege W. Zylka einen Ersatzrahmen und einen von der Bauform her passenden Hartpapierdrehko. Bei diesem Drehko handelte es sich zwar um einen Einfach- anstatt eines Differentialdrehkos, jedoch wird dadurch - wie oben schon erwähnt, nur der Skalenverlauf auf einem der beiden Wellenbereiche umgedreht. Auch lag die Maximalkapazität dieses Drehkos mit 750pF etwas tiefer als beim Original von Chr. Steinecke mit 1000pF, wodurch der Abstimmbereich etwas reduziert wird.

Hier ein Bild des intakten Originalrahmens:

Nach und nach wurde nun die Rekonstruktion der Rundskala inklusive Schleppzeigern, die Wellenschaltermechanik und die Spulenplatte  in Angriff genommen, wobei die Arcofars von W. Zylka und Chr. Steinecke als Vorlage verwendet wurden. Von diesen umfangreichen Arbeiten will ich einige detaillierter beschreiben. Auf Standardarbeiten wie die Neubefüllung des Sammelkondensators, Ersatz von Widerständen usw. werde ich nicht näher eingehen.

3.1.1 Rückbau der Rundskala

Wie schon erwähnt, fehlte bei der Rundskala die den Drehknopf und die Schleppzeiger tragende zentrale Führungsbuchse und der Schaltnocken zum Betätigen des Wellenbereichsschalters. Diese Teile wurden aus Messing nachgefertigt und an Stelle der ursprünglich verwendeten Nieten mit M2 Schrauben fixiert.

Die originale Skala.

 

 

 

 

 

 

 

 

 

 

 

Die neu angefertigten Komponenten:

An die Skala montiert sieht das so aus:

Die neuen Schleppzeiger wurden aus Bronzeblech ausgeschnitten und der aus der Führungsbuchse herausragende Teil schwarz lackiert. Im Orinigal (rechts) tragen die Schleppzeiger Sicken (blauer Pfeil), die zur Hemmung der Zeiger auf dem metallischen Zentraltreil der Skala angebracht wurden. Auf dieses Detiail habe ich verzichtet.

Bilder von Ch. Steineckes Original links und meines Nachbaus der Rundskala rechts:

 

3.1.2 Rückbau des Wellenbereichsschalters

Sehr viel komplexer als die bisherigen Arbeiten gestaltete sich der Bau dieses Schalters. Glücklicherweise befand sich in dem von W. Zylka erhaltenen Frontrahmen noch ein Betreibsartenschalter, dessen Achse und Schaltkontakte nach entsprechender Umarbeitung für den Aufbau des Wellenbereichsschalters verwendet werden konnten.

 

 

Von der Gerätevorderseite sieht die Rastplatte des Schalters im Original so aus:

 

 

 

 

 

Zum Aufbau der Wellenschalterachse und Rastplatte wurde der überschüssige Betriebsartenschalter verwendet. Zur Befestigung der Zapfen musste dessen Rastplatte etwas vergrößert werden. Auf dem linken Bild erkennt man die ursprünglich abgerundete Form der Betriebsartenschalter-Rastplatte (roter Pfeil) und die Form des angelöteten Messingblechs:

 

 

 

 

 

 

 

 

 

Probeweiser Einbau in den Frontrahmen:

Bevor ich zum letzten Schritt der Schalter-Rekonstruktion komme, wollte ich noch einmal zeigen, wie die Skalenradpostion mit der Position des Schaltnockens /Wellenschalters synchronisiert ist: 

1. LW - Bereich - rote Skala '200' oben. Anschlag des Schaltnockens im Uhrzeigersinn.

2. LW - Bereich - rote Skala '105' oben. Schaltnocken steht kurz vor dem Eingriff in die Zapfen der Wellenschalter-Rastplatte.

3. MW - Bereich - schwarze Skala '90' oben. Schaltnocken hat den Wellenschalter umgeworfen und steht jetzt etwas oberhalb der Zapfen.

 

Als letzter Schritt wurden die Kontaktplättchen angefertigt und auf die Vierkantachse geschraubt:

Die fertig montierte Achse des Wellenbereichsschalters:

 

3.1.3 Rückbau der Spulenplatte

Als eine der schwierigsten Aufgaben stellte sich die Rekonstruktion der Spulenplatte heraus. Da die Maße bekannt waren, konnte zwar leicht eine passende Pertinaxplatte hergestellt und die für den Wellenbereichsschalter notwendigen Federbronzezungen darauf befestigt werden, aber die Fertigstellung scheiterte zunächst an den Spulen selbst. Ein Neuwickeln der Spulen aus CuL Draht schien mir hoffnungslos. Nun hatten die Spulen - insbesondere im Gerät von W. Zylka - eine gewisse Ähnlichkeit mit den Spulen die man im Spulenkäfig des VE301 findet.

Nachdem mir freundliche Sammlerkollegen solche Spulen zur Verfügung gestellt hatten, habe ich die Induktivitätswerte der Originalspulen gemessen und mit denen der MW und LW Antennenspulen des VE301 verglichen. (Die VE301 Kreisspulen fielen für den Einsatz im Arcofar von vornherein aus, da sie keine Anzapfungen besitzen.)

Hier zunächst die Daten der Originalspulen

Originalspule MW:

Die für die Abstimmung relevante Kreisinduktivität zwischen den Punkten 1 und 3 der MW-Spule liegt bei L = 116µH 

Die volle MW-Spule zwischen den Anschlüssen 1 und 4 hat wie oben erwähnt L = 230µH.

Bei dem in Chr. Steineckes eingebaute Differential-Abstimmdrehko wurde eine C-Variation von ca. 25pF - 1 nF gemessen. Die maximale Kapazität liegt also deutlich höher als der in den verschiedenen Schaltbildern angegebene Wert von 720pF!

 

 

 

Daraus folgt rechnerisch ein durchstimmbarer Frequenzbereich von 467 - 2955 kHz. Mit dem Exciter misst man einen geringeren Bereich von nur: 460 - 1890 kHz. Daraus kann man schließen, dass bei MW die Schaltungskapazität (Spuleneigenkapazität + Verdrahtungskapazität) bei etwa 36pF liegt. Von der Cgk der REN904 habe ich jetzt mal abgesehen.

 

 

 

 

Originalspule LW:

Resonanzbestimmend für den LW-Bereich ist die Sektion 2-3 der LW-Spule, die in Reihe zur kompletten MW-Spule liegt. Nun muss man bedenken, dass die LW- und MW-Spule senkrecht zu einander angeordnet sind. Dies führt dazu dass die magnetische Kopplung zwischen  den beiden Spulen sehr gering ist. Die Korrektheit dieser Annahme kann leicht überprüft werden, indem man den Induktivitätswert einer Spule einmal bei offener und einmal bei kurzgeschlossener Nachbarspule misst. Im vorliegenden Fall war mit LARU nur ein minimaler Unterschied zu erkennen. Im Fall nicht koppelnder Spulen darf man deren Induktivitswerte einfach addieren.

 

 

So ergibt sich rechnerich eine für die LW-Abstimmung relevante Kreisinduktivität von 1,05mH (2-3 LW-Spule) + 230µH (volle MW-Spule) = 1,28 mH. Gemessen wurde L=1,23mH.

 

Mit einer C-Variation von 25pF - 1 nF (wie oben) würde sich rechnerisch ein durchstimmbarer Frequenzbereich von 144 - 908kHz ergeben. Mit dem Exciter misst man wieder einen geringeren Bereich von nur: 141 - 589 kHz. Daraus kann man schließen, dass die Schaltungskapazität bei etwa 34pF liegt.

 

 

 

 

 

VE301 Antennenspulen

Das Ziel bestand nun darin herauszufinden, ob die VE301 Antennenspulen ähnliche Induktivitätswerte wie die Originalspulen aufweisen und damit im Arcofar einsetzbar sind. Gemessen wurde an diesen Spulen (Für MW standen mir 2 Exemplare zur Verfügung)

Die MW-Antennenspulen des VE301 besitzen drei, die LW-Spulen nur zwei Anzapfungen.

VE301 MW Antennenspule

Es wurden 3 Induktivitäts-Messreihen durchgeführt: (i) zwischen benachbarten Anschlüssen, (ii) zwischen dem äußeren Spulenende und den anderen Anschlüssen, (iii) zwischen dem inneren Spulenende und den anderen Anschlüssen.

"a" bezeichnet das äußere Spulenende, "i" das innere, "Aa" bezeichnet die äußerste Anzapfung, "Am" die mittelere und "Ai" die innerste.

Resultate:

  • Die gemessenen Induktivitätswerte der weißen und der grünen MW-Spule unterscheiden sich leicht hinsichtlich der Lage der Abgriffe. Die Gesamtinduktivitätswerte weichen jedoch nur um ca. 1% voeinander ab. 
  • Durchsucht man die L-Werte nach der besten Übereinstimmung zwischen Original- und VE301 Spule so  findet man diese in der grün markierten Spalte: Verwendet  man die Spulenanschüsse "i" und "Aa", so erhält man 120µH (118µH) - im Vergleich zu 116µH beim Original.
  • Die Gesamtinduktivität der VE301 MW-Spule liegt bei 222µH(220µH) im Vergleich zu 230µH beim Original.
  • Die Spulensektion zwischen "Aa" und "a" wird als RK-Spule verwendet. Die Windungsverhältnisse zwischen Kreis- und RK-Spule weichen etwas von der Originalspule ab, was einen unterschiedlichen Rückkopplungseinsatz zur Folge hat. Das spielt hier aber eine untergeordnete Rolle.
  • Die VE301 MW-Antennenspule kann also im Arcofar problemlos als Ersatz für die MW- Originalspule eingesetzt werden.

VE301 LW Antennenspule

Bei der LW-Spule wurden weniger Induktivitätswerte gemessen, da beim Betrachten der Anzapfpunkte von vornherein klar war, welche Spulensektion verwendet wird:

Resultate:

  • Durchsucht man die L-Werte nach der besten Übereinstimmung zwischen Original- und VE301 Spule so  findet man diese wieder in der grün markierten Spalte: Verwendet  man die Spulenanschüsse "i" und "Aa", so erhält man 1,08 mH - im Vergleich zu 1,05 mH beim Original.
  • Die für die LW-Abstimmung relevante Kreisinduktivität liegt somit bei 1,08mH (2-3 LW-Spule) + 222 (220)µH (volle MW-Spule) => 1,30mH, im Vergleich zu 1,28mH beim Original.
  • Die Spulensektion zwischen "Aa" und "a" wird wieder als RK-Spule verwendet. Wie schon bei der MW-Spule erwähnt, entsprechen die Windungsverhältnisse nicht ganz der Originalspule.
  • Somit kann auch die VE301 LW-Antennenspule im Arcofar problemlos als Ersatz für die LW-Originalspule eingesetzt werden.

 

Abstimmbereiche:

Abschließend wurden noch mit dem Exciter die bei Einsatz der Ersatzspulen und des Erstzdrehkos in meinem Gerät erziebaren Abstimmbereiche gemessen und mit den schon oben an Chr. Steineckes Arcofar gemessenen Werten verglichen. Dabei muss man im Gedächtnis behalten, daß die Kapazität des Original Abstimdrehkos im Arcofar von Chr. Steinecke bei 1000pF lag, bei meinem Ersatzdrehko aber nur bei 750pF.

Wie man sieht, überlappen sich bei Verwendung der Originalspulen und des originalen Drehkondensators die Empfangsbereiche von LW und MW etwas weiter als beim Einsatz der VE301 Spulen und kleinerem Drehko. Kein gravierender Nachteil!

 

Es sollte noch erwähnt werden, dass die Messungen der Abstimmbereiche mit Hilfe des Exciters bei offenem Antennenanschluss erfolgten! Bei Anschluss einer Antenne führt die in den Resonanzkreis eingebrachte Kapazität zu einer Reduktion des Abstimmbereiches. Je direkter die Ankopplung erfolgt (Reihenfolge A1 - A2 - A) um so ausgeprägter ist diese Reduktion.

 

 

 

 


So stellt sich der HF-Teil meines Arcofar nach der Restauration dar:

Und so im Vergleich zum Original.

Der HF-Teil ist nun wieder voll funktionsfähig - lediglich der Einsatz der Rückkopplung ist etwas zu scharf. Dies ließe sich verbessern, indem man sowohl von der MW- als auch von der LW-Spule außen etwas abwickelt. Im Moment wurde das Problem durch einen Verkürzungskondensator in Serie mit dem RK-Drehko gelöst.

 

3.2 Grammophon

Beim Kauf des Arcofar informierte mich der Vorbesitzer über ein Problem mit der Demontage des Plattentellers. Trotz größeren Kraftaufwandes sei es ihm nicht gelungen, den Teller von der konischen Achse abzuziehen. Unglücklicherweise widersetzte sich das Teil auch meinen Bemühungen - bis mir die zündende Idee kam:

Das Montagebrett des Grammophons wird an seinen Außenkanten von vier dreieckigen Metalllaschen im Gehäuse gehalten. Zwei Befestigungsschrauben sind von oben frei zugänglich (linkes Bild - rote Pfeile), die restlichen 2 Schrauben sind durch den Plattenteller verdeckt. Hier kann man aber die Schrauben lösen, mit denen die Laschen von der Gehäuse-Innenseite befestigt sind (rechtes Bild- rote Pfeile). Nach Lösen dieser Schrauben und nach Innendrehen der Laschen konnte man die komplette Grammophoneinheit nach oben herauskippen. 

 

 

 

Nach diesem Teilerfolg erinnerte ich mich an den Unterschied der differentiellen Ausdehnungskoeffizienten von Kunststoffen und Metallen. Bei starker Abkühlung sollte sich der Hartgummi (Beschichtung der Plattentellerachse) stärker zusammenzeihen als sein metallischer, konischer Sitz am Plattenteller, und sich somit davon lösen. Also wanderte die gesamte Grammophoneinheit in die Tiefkühltruhe. Nach einer Aufbewahrungszeit von einigen Stunden ließ sich der Plattenteller leicht vom Konus ziehen. Nun konnte man auch den Motor von der Tragplatte demontieren:

Nach Zerlegen des Motors wurde die Achse zum Entfernen etwaiger Fettreste in Benzin gewaschen, der metallische Kern der Achse einige Millimeter freigelegt und mit Epoxidharz umgossen. Nach Härten des letzteren wurde dieser auf der Drehbank in die korrekte Form gebracht. Entsprechend dem Original wurde der an den Rest der Hartgummbeschichtung angrenzende Teil konisch abgedreht, der oberste Teil zylindrisch.

 Ausgangszustand                       Verguss mit Epoxidharz                                   fertige Achse

Bei den früheren Versuchen den Plattenteller von der Achse zu hebeln, war der obere, schlanke Teil der Achse leicht verbogen worden. Dieser Seitenschlag konnte auf der Drehbank durch leichte Schläge auf den vorderen Teil der Achse beseitigt werden, woraufhin der Plattenteller wieder ohne nennenswerten Höhenschlag rotierte.

Weitere Arbeiten am Grammophon betrafen den Fliehkraftregler, bei dem eine Feder inclusive Gewicht fehlte und dessen äußere Führungsbuchse aus Zinkspritzguss rissig war.

Die rissige Führungsbuchse in Nahaufnahme:

Die Risse wurden mit dünnflüssigem Sekundenkleber geflutet, was für ausreichende Strukturstabilisierung sorgte. Nach Einbau eines kompletten Satzes neuer Federn und Gewichte, funktionierte der Regulator wieder einwandfrei:

 

 

4     Schlussbemerkungen

Die Restaurationsarbeiten sind damit im wesentlichen abgeschlossen. Das Gerät befindet sich wieder im voll funktionsfähigen Zustand ohne zusätzliche Einbauten oder Schaltungsmodifikationen. Sollte ich durch Zufall einen Hartpapier-Differentialdrehko mit einer Endkapazität von 2x750pF bis 2x1000 pF finden, so werde ich diesen natürlich verwenden. Dies gilt auch für die MW- und LW Audionspulen. Die jetzt eingebauten VE301 Spulen erfüllen zwar ihren Zweck, haben aber doch geringfügig andere Daten als die Originalspulen und sehen für dieses Gerät zugegebenermaßen etwas zu "jung" aus.

An dieser Stelle möchte ich noch einmal allen RMorg Mitgliedern danken, die mir mit Rat und Tat bei der Restauration des TELEFUNKEN T1000 Arcofar zur Seite standen.

Harald Giese, 30.Apr.18

Weitere Posts (1) zu diesem Thema.

 

Blende Seitenwand beim Arcofar
 
Möchte mir gerne eine möglichst getreue Kopie der Blende von der rechten Seitenwand beim Arcofar anfertigen. Da ich diese seit langen vergebens als Original suche.
Wer ist so nett und macht ein Detailfoto dieser Blende?
Freue mich auf Ihre Hilfe
Mit freundlichen Grüßen Wolfram Zylka

Wolfram Zylka, 05.Dec.08

Weitere Posts (2) zu diesem Thema.