Katzenkopf T 340 T340W RENS1204
Telefunken Deutschland (TFK), (Gesellschaft für drahtlose Telegraphie Telefunken mbH
- Pays
- Allemagne
- Fabricant / Marque
- Telefunken Deutschland (TFK), (Gesellschaft für drahtlose Telegraphie Telefunken mbH
- Année
- 1931/1932
- Catégorie
- Radio - ou tuner d'après la guerre 1939-45
- Radiomuseum.org ID
- 4452
Cliquez sur la vignette du schéma pour le demander en tant que document gratuit.
- No. de tubes
- 5
- Principe général
- Récepteur TRF en général (avec ou sans réaction inconnu); 2 Spécial; 1 Etage(s) BF; Détection par courbure d'anode.
- Circuits accordés
- 3 Circuits MA (AM)
- Gammes d'ondes
- PO et GO
- Tension / type courant
- Alimentation Courant Alternatif (CA) / 100-120; 120-135; 135-165; 200-240 Volt
- Haut-parleur
- - Ce modèle nécessite des HP externes
- Matière
- Boitier en bakélite
- De Radiomuseum.org
- Modèle: Katzenkopf T 340 T340W [RENS1204] - Telefunken Deutschland TFK,
- Dimensions (LHP)
- 405 x 245 x 180 mm / 15.9 x 9.6 x 7.1 inch
- Remarques
-
Röhren lt. Werkstattbuch und Gerätebeschriftung.
Ein ausführlicher Gerätebericht des Telefunken 340W findet sich in der Funkschau 1931, Heft 45Mehrpreis RES164: 7,- RM
- Poids net
- 7.2 kg / 15 lb 13.7 oz (15.859 lb)
- Prix de mise sur le marché
- 245.00 RM !
- Source
- Katalog Radio-Zentrale Prohaska 1931/32 / Radiokatalog Band 1, Ernst Erb
- Source du schéma
- Lange+Schenk+FS-Röhrenbestückung
- Littérature
- Radio-Schnorr-Katalog Nr.53 1931/32 (!)
- Schémathèque (1)
- Telefunken Werkstattbuch
- Index des illustrations
- Das Modell ist im «Radiokatalog» (Erb) abgebildet.
- D'autres Modèles
-
Vous pourrez trouver sous ce lien 3581 modèles d'appareils, 3168 avec des images et 2126 avec des schémas.
Tous les appareils de Telefunken Deutschland (TFK), (Gesellschaft für drahtlose Telegraphie Telefunken mbH
Collections
Le modèle Katzenkopf T 340 fait partie des collections des membres suivants.
- Ferit Akalin (TR)
- Jürgen Bauch (D)
- Peter Baumann (D)
- Giuseppe Duello (I)
- Thorsten Finaske (D)
- Etienne Flemal (B)
- Johannes Frey (D)
- Markus Glaser (D)
- Valery Gromov (RUS)
- Jean-Louis HEYD (F)
- Reinhard Hopfe (D)
- Helmut Kerninger (A)
- Wolfgang Kobler † 21.11.18 (D)
- John Koster (NL)
- Ladislaus Kulcsar † 9.12.16 (D)
- Marc Lasnier (NL)
- Jorge Llacer † Aug 22, 2014 (USA)
- Francisco Martins (P)
- Fabio Masetti (I)
- Helmut Matysik (D)
- Reinhold Melischko (D)
- Heinz Moser (D)
- Klaus Najman (D)
- Marjan Nedoh (SLO)
- Christian Olejarczyk (D)
- Josef Pils (A)
- Lukas Radwallner (A)
- Manfred Rathgeb (D)
- Museum Roggenhofer (A)
- Joachim Röhling (D)
- Bernhard Sacherer (A)
- Heinz Schmidt (D)
- Karlheinz Schneider † 28.6.23 (D)
- Reiner Scholz (D)
- Alois Steiner (A)
- Martin Steyer (D)
- Philippe Viard (F)
- Georges Werts (B)
- Fabio Zannier (I)
- Detlef Zimmermann (D)
Contributions du forum pour ce modèle: Telefunken: Katzenkopf T 340 T340W
Discussions: 10 | Publications: 24
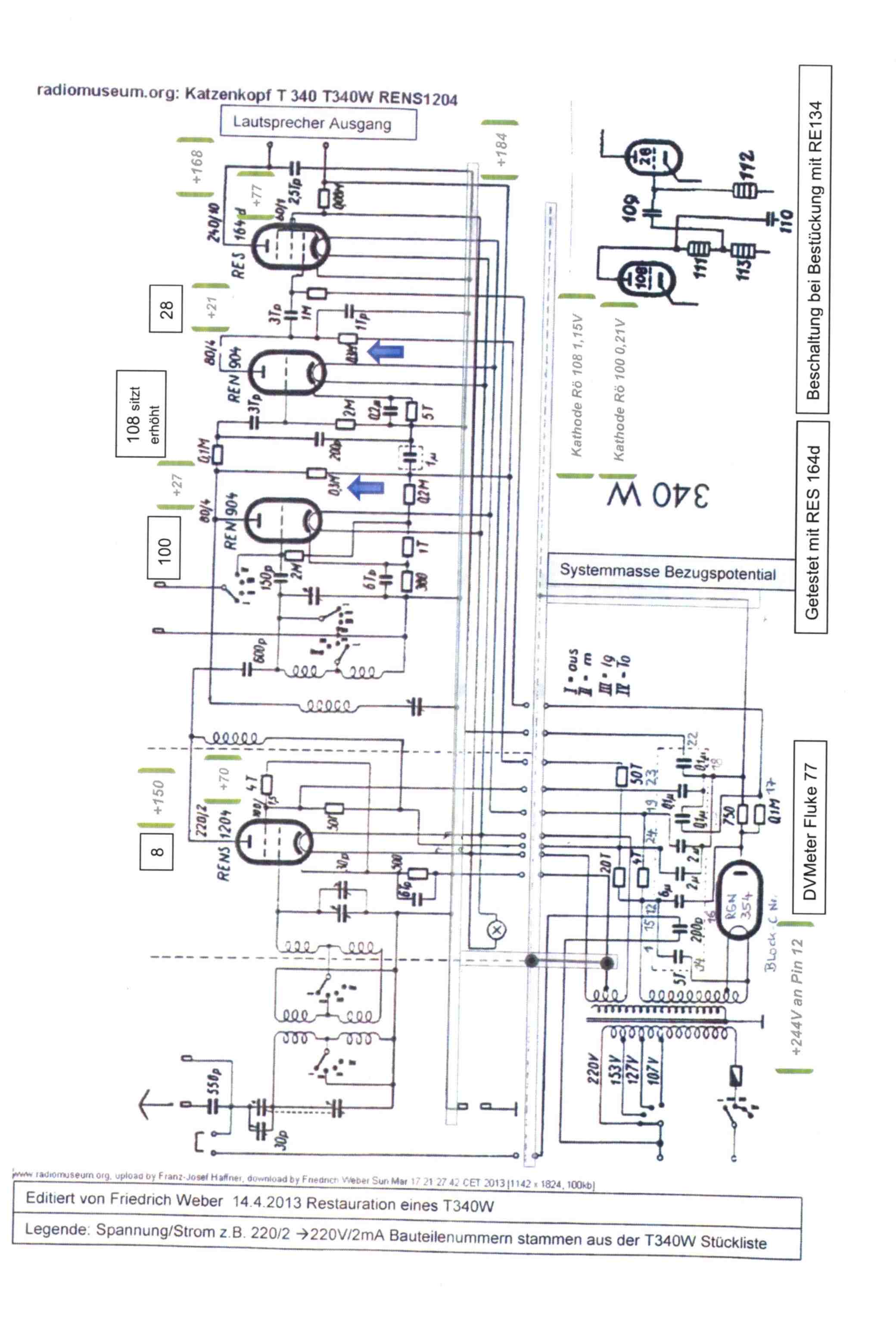
Hat man das Glück einen Katzenkopf zu ergattern, ist die Motivation zur Restauration groß. Nachdem eine Bestandaufnahme durchgeführt wurde, stand fest: noch gute Röhren, außer der RGN354, die ist schwach. Block-C aufgequollen, Thermosicherung am Trafo ausgelöst. Diese hat ausgelöst, weil der Block-C einen hohen Fehlerstrom gezogen hat. Die Prüfung des Transformator ergab, dass kein Schaden vorliegt, also kann man den Trafo wiederbenutzen und zum Schutz eine Feinsicherung zusätzlich einbauen. Das Block-C wurde komplett ausgeräumt und mit neuen Bauteilen gefüllt. Die Kondensatoren im Becher mit 1µF und 0,2µF mußten auch getauscht werden. Als Grundlage zur Reparatursuche waren der Schaltplan aus dem RMorg und die hinterlegte Stückliste. Bald habe ich festgestellt, dass man doch mehr braucht, z.B. die Belegung des Block-Cs
und die Beschaltung bei einer alternativen Bestückung mit der RE134. Die Suche hat doch Zeit in Anspruch genommen und ich war das Blättern in verschiedenen Unterlagen leid und habe deshalb einen Arbeitsschaltplan zusammengestellt, siehe Anhang - nach Abschluß der Restauration kommt der Plan ins RMorg Modell. Darin finden Sie die Pin-nr. des Block-C, alle Spannungsangaben und die echten Werte der Bauteile.
Sobald das Radio den Vorgaben der Pläne entspricht wird dieser Bericht ergänzt.
Nachdem sichtbar defekten Bauteile ausgetauscht waren, wurden auch die restlichen Bauteile auf Ihre Kenndaten geprüft. Alle Kondensatoren waren ohne Auffälligkeiten, ein Widerstand 200k -Verbindungzum 1µF war unterbrochen. Nun sollte die erste Einschaltprüfung beweisen ob auch eine Radiofunktion zu entdecken ist. Zum ersten Einschalten fahre ich immer die Netzspannung langsam hoch. Alle Röhren außer der RGN354 werden entfernt. So läuft die Gleichrichtung fast im Leerlauf und ich beobachte die Leistungsaufnahme bei 230V. Die Gleichspannung stieg bis ca. 310V an. Das ist okay. Unter Belastung wird diese Spannung absinken. Frage: Kann die schwache RGN354 den 340W versorgen. Die RGN zeigt auf dem W19 15mA, also gerade noch im Gut-Bereich. Alle Röhren einstecken und neu anfahren. Die 310V sanken auf 160V ab und es war klar, dass diese Röhre es nicht schaffen wird das 340W ordentlich zu versorgen. Damit ich weiter arbeiten konnte habe ich diese Röhre mit einer parallelgeschaltenen Diode unterstützt.
Nach der Anheizzeit betrug die Urspannung an Block-C-Pin 12 244V. Das sollte reichen.
Die Anodenspannung der RENS 1204 zeigte 158V, das Schirmgitter 77V-sollte laut Plan 220V bzw. 100V sein. An der Kathode standen 1,3V. Das ergibt einen Querstrom von 2,6mA.
Auch die Werte der RES164d waren niedriger als erwartet. Nämlich +184V anstatt +240V.
Aus der Reihe fielen die REN904. Dort standen nur +27V bzw. +21V. Bauteilefehler waren auszuschliessen; denn diese wurden ja Stück für Stück vorher geprüft.
Nun begann das Rätseln und ich habe bis zur Stunde keine Klarheit darüber was da vorliegen könnte.Ich wollte mit dem Ohmschen Gesetz nachprüfen, ob da etwas nicht stimmen kann. So blieb mein Blick auf den 300K Widerständen hängen.
Wie kann sich über einen solch hochohmigen Widerstand an der Anode 80V aufbauen und zudem noch ein Strom von 4mA fliessen lassen. 300k und 4mA würden ja 1200V bedeuten. So kam dann das eine zum Anderen und ich suche eine Hilfe, ob jemand seinen Katzenkopf besser kennt. Was ist das richtig? In der Stücklisten stehen auch 0,3M. Ist das denn falsch? Die 300K Widerständen haben die richtige Größe. Querkontrollen in anderen Schaltplanquellen zeigen auch die 300k.
Ich habe den Strom in der Kathode der Röhre aus dem Spannungsabfall an den 300Ohm bestimmt, das sind 0,7mA für die Röhre 100, das wäre zu niedrig. Für die Röhre 108 ergaben sich 1,15V an 5000 Ohm, das wären 23µA. Das ist doch voll daneben. Unter der Annahme wie im Plan gefordert, dass der Kathodenstrom ca.4mA betragen soll, müßten ja am Widerstand 5000 Ohm eine Spannung von 20V liegen.
Festgestellt habe ich wenn man die Röhre 100 zieht steigt die Anodenspannung stark an. Warum ? Die Röhre zieht Strom und nach dem Ziehen der Röhre steigt die Versorgungsgleichspannung an. Die Vermutung irgendein Bauteile rund um die Röhre könnte ja etwas Fehlerhaftes aufweisen. Ich finde Nichts und die Ohmsche Theorie lacht mich aus.
Wie ein Hohngelächter, das Radio spielt ohne Auffälligkeiten sauber- nur mit diesen Spannungen bei den REN904-Röhren ist irgendwas faul.
Kann mir mal jemand Nachhilfe geben?
Für den nächsten Akt habe ich mir ein paar gute Röhren besorgt. Die einzige Überzeugung, die da gewonnen habe, war, die im Radio befindlichen sind nicht wesentlich schlechter. Zur Dokumentation habe ich den Verbrauchsstrom nach Gleichrichtung gemessen. Zur Stützung der RGN hatte ich eine Diode parallel geschaltet, so ergaben sich ca. 14mA. Damit wurde klar, dass nicht jede gute RGN 354 dieses Radio ordnungsgemäss versorgen kann. Ist die Röhre etwas schwach so pumpt die gleichgerichtete Gleichspannung mächtig, je nach dem was das Radio insgesamt verbraucht. Die Nachfolger vom 340W sind mit Zweiweggleichrichter ausgestattet.
Herr Walter Schmidt hat einen Plan mit einer RGN504 gefunden. Ausprobiert habe ich auch. Bringt 5mA mehr Reserve, das ist gut, bei der 504 könnte man die Systeme noch parallelschalten.
Aber laut Rückwand und Chassisaufdruck gehört eine RGN 354 rein.
Beim Herumspielen habe ich dann festgestellt, dass wenn man die Rückkopplung stark eindreht, steigen die Anoden der Röhre 100 und 108 schnell auf die Schaltplanspannungswerte an. Das hat mich sehr verwundert. Empfängt nun schwache Sender, so erhält man die hohen Spannungswerte.
Bei mir sitzt aber in der Nähe der MW-Sender Straßburg. Da kann man die Rückkopplung überhaupt nicht gebrauchen. Das Radio spielt so laut und man muß die Schieberegler so stark verstimmen, damit sich eine angenehme Zimmerlautstärke ergibt.
Mit diesem Erlebnis, könnte man feststellen, das Radio ist ordnungsgemäß. Die Anodenspannungswerte von den Röhren 100 und 108, zwangsläufig auch die von der 1204, hängen vom aktuellen Radioempfang ab. Auf MW hat fast keine Auswahl mehr.
Der Verbrauchstrom im Gleichrichterkreis und damit wird auch die Grundversorgungsspannung höher. Trotzdem muss ich im Verständnis dem Ohmschen Gesetz abschwören. Offensichtlich bringt die HF-Seite einen Gewinn. Aber die 4mA aus dem Schaltplan z.B. für die Röhren 100 und 108 können nicht stimmen. Da diese Sache so wachsweich ist habe ich auf eine genaue Dokumentation verzichtet. In dem 2. Edition des Arbeitsplanes habe ich alle wichtigen FAkten zusammengetragen, damit Kollegen, die sich mit einem Katzenkopf befassen nicht das gleiche Kopfzerbrechen bekommen. Der Plan ist auch im Modell geladen. Im Schema habe ich die unterbrochen gezeichneten Verbindungen durchgezogen. Mir wurde nicht klar was man mit der Unterbrechung zeigen wollte. Die Masseanbindung erfolgt am Mittelabgriff der allgemeinen 4V Heizung direkt auf dem Trafo und dessen Befestigungsschrauben.
Ergänzend dazu 2 Bauteilelagepläne -von unten und von oben, damit man alles auf einem Blatt hat.
Der 340W ist schon mit vielen Dokumenten und Bilder gespeichert. Ich habe mich auf ein paar Details beschränkt. Bunt zeigen die Lagepläne mehr Details - hier habe beide in der Anlage dazukopiert.
Autoskala: diese Aktraktion von früher hat heute sendermässig keine Bedeutung mehr. Man käme mit 2 für gut empfangbare Sender auf MW aus - nachts kommen noch ein paar Exoten im Fernempfang dazu. Bevor man diese Federn anfaßt, möchte ich die Warnung ausspechen- nicht anfangen biegen, weil es vielleicht zu locker sitzt. Das Federband wartet förmlich darauf zu brechen. Ich habe vorgesorgt indem ich in die Umbiegezone ein Tropfen UHU eingebracht habe.
Diese Maßnahme empfehle ich auch für alle Katzenköpfe, die in den Vitrinen schlummern. sonst fallen die Namenschilder ab, weil die Korrosion die biegestelle bevorzugt annagt.
Trotz dieser Klebstoffbandage, Biegen danach nur im äußersten
Zur Ergänzung den Arbeitsplan:
Bedarfsfall vornehmen. Im Fundzustand findet man weiße Flecken auf der Skala, besonders unter den Namensschildern.
Das möchte man gerne reinigen, deshalb ist die Versuchung so groß die Federbänder abzulösen. Die Folgen dieses Oxydbelags kann man nicht so entfernen, dass man Nichts mehr sieht. Mit der Lupe läßt sich erkennen, das die Lackschicht angefressen ist und diese Flächen einfach nicht mehr glänzen. Mein Hilfsmittel war, feinen Lacklack aufzupinseln. So sieht man fast keinen optischen Unterschied mehr. 3 Namensschilder sind trotzdem abgebrochen. Das abgebrochene Teil habe ich etwas weiter abgebogen und mit der UHU-Prozedur repariert.
Bei meinem Modell ist mir aufgefallen, dass die Telefunkenfeld und die Knöpfe Spuren von einer Goldbronze tragen. Ob das wohl serienmässig echt ist? Erst wenn ich mit Gewissheit habe, werde ich das nachbessern.
Auch die Drehknöpfe tragen diese Goldspuren.
Die Stromaufnahme geträgt ca. 220mA und die Leistung ca. 60W. Der Trafo ist gut warm; d.h. <60°C. Mal sehn ob sich da in den nächsten Probelauftagen ein Problem zeigt. Ich habe keine Vergleichsmöglichkeit.
Wellenschalter: Viele Katzenköpfe haben am Wellenschalter einen abgebrochenen Flügel. Als Ersatz habe ich eine Resitex-Teil handgedreht mit eingeklebten Gewindestift M2,5 auf die glattgeschliffene Bruchstelle gesetzt. Da es eine ersatzlösung ist, habe ich auf die exakte Farbangleichung verzichtet.
Jetzt kommt der Katzenkopf ins frisch gewaschene und polierte Gehäuse und wartet auf einen Liebhaber beim nächsten Flohmarkt. Ein Videoclip von der Ausprobe ist hier dabei.
Pièces jointes
- Arbeitsplan 340W (216 KB)
- Arbeitsplan 2.Edition (271 KB)
- Chassis von unten (228 KB)
- Chassis von oben (117 KB)
Friedrich Weber † 12.09.2014, 14.Apr.13
Ein Mitglied hatte angefragt, was die beiden frontseitigen Einstellregler bzw. Einstellschieber beim Telefunken Katzenkopf 340 W (340W) für eine Bedeutung haben. Ich habe vage die Vermutung, dass zumindest mit dem einen die beiden Regler des Katzenkopf 340 W Drehkos auf einander abgestimmt werden (Gleichlauf). Der Apparat ist im Museum in einer Vitrine ... Meine Zeit widme ich lieber dem Radiomuseum.org, Ihnen.
Kann das jemand beschreiben, denn dieser Thread liegt sonst unnütz auf dem Modell. Wahrscheinlich kann man das Thema zu Fragen der Feinabstimmung bei getrennten Drehkos für mehrere Kreise hier gerade prinzipiell angehen. Und auch die Bedeutung der anderen Regler erklären, vielleicht sogar der Skala des Telefunken Katzenkopf. Danke.
Die nachfolgenden Ausführungen gelten natürlich auch für die Modelle mit Lautsprecher und die Gleichstrommodelle:
http://www.radiomuseum.org/dsp_modell.cfm?Model_Id=4450
http://www.radiomuseum.org/dsp_modell.cfm?Model_Id=4451
http://www.radiomuseum.org/dsp_modell.cfm?Model_Id=4453
http://www.radiomuseum.org/dsp_modell.cfm?Model_Id=4454
http://www.radiomuseum.org/dsp_modell.cfm?Model_Id=4455
http://www.radiomuseum.org/dsp_modell.cfm?Model_Id=4456
höchstens teilweise aber im Katzenkopf 230W:
http://www.radiomuseum.org/dsp_modell.cfm?model_id=4447
um auch den hier aufzuführen, falls jemand von einer Suchmaschine her kommt:
http://www.radiomuseum.org/dsp_modell.cfm?Model_Id=4452
das Modell ist aber - äusserlich anders - auch zumindest in Italien und in der Tschechoslowakei fabriziert worden. Das Chassis kam aber von Deutschland:
http://www.radiomuseum.org/dsp_modell.cfm?model_id=68645
Der von Italien ist bei uns leider noch nicht geführt. Wer kann ihn einbringen?
Ernst Erb, 25.Apr.04
einer, der wollte schnell an die Innereien seiner (s) Katze (nkopfes) kommen und so sägte er eine große Aussparung in den Boden, auf den ersten Blick fast echt aussehend ID=234300. Oder waren die Katzen da unten öfters krank?
Manfred Rathgeb, 13.Jul.22
Könnte jemand ein Bild der herausnehmbaren Skalenabdeckung hochladen, und zwar die Rückseite, damit man sehen kann wie die Punktlichtquelle den Skalenring beleuchtet. Bei meinem Teil sind leider nur noch wenige weisse Farbspuren sichtbar. Und da wären noch 2 kleine Schrauben, deren Funktion nicht ersichtlich ist. Besten Dank.
Jörg Sigg, 22.Sep.13
Hallo liebe Radiomuseum Gemeinde,
ich habe Folgendes Problem: wenn ich den Wellenschalter auf der Rechten Seite des Gerätes in Stellung 1 schalte, Funktioniert der Empfang (wegen des schlechten MW Empfangs bei mir Zuhause zwar nur Rauschen zu hören bzw auch Fiepen und Qietschen aber das ist nicht mein Problem).
In der Stellung 2 (Lange Welle) Höhre ich nichts, zwar Brummen, kein Rauschen, kein Fiepen bei zu Starker Rückkopplung wie auf Stellung 1. Ich habe einen Antennenverstärker angeschlossen, und wenn der Empfang (stark) übersteuert (rückkopplung) eintritt höhre ich das Fiepen und Kreischen aber leider gerade so höhrbar. Ich habe bereits sämtliche Spulen auf Durchgang gemessen und eigentlich keine Unterbrechungen Feststellen können (Eigentlich bin ich ganz gut darin Alte Radios zu Reparieren, vor allem Elektrisch, aber hier ist Ende im Gelände).
KondensatorBlock habe ich neu Bestückt, was auch eine enorme Verbesserung der Lautstärke zufolge hatte, darum schliesse ich diesen aus.
Die Röhren schliesse ich ebenfalls aus, da alle NOS Werte aufweisen
Wie gesagt Stellung 1 und Tonabnehmer(Grammophonanschluss) Funktionieren alle bis auf Stellung 2 wo exrem leiser Empfang und leises Netzbrummen (Netzbrummen auf allen Stellungen aber sehr leise) aus dem Lautsprecher kommt.
Auf Ratschlägen von euch habe ich die 6 Ploige Kontaktwelle gereinigt bzw. Kontakte geputzt was leider keinen Erfolg bereitete.
Heute habe ich satte 5 Stunden mit der Fehlersuche verbracht und Festgestellt dass sehr leiser (Fast unhöhrbarer) Empfang vorhanden ist aber keine Rückkopplung einzustellen ist wie es auf MW Funktioniert (Sehr schwache fast nicht merkbare Rückkopplung ist auf LW zu erkennen).
Ich habe im Spulensatz wo die Rens1204 angschlossen ist (vom Hinten gesehen Linke Seite) bemerkt das wenn ich im LW Betrieb die zweite Spule von oben in dem Papp-Turm gegen Erde verbinde, ein lautes Rauschen zu Höhren aber kein Sender zu Empfangen ist (Auf LW bekomme ich auf meinen anderen Geräten einen Deutschen Sender bei fast jedem Wetter Laut und deutlich rein, wie auch beim 340w, aber fast unhöhrbar).
Dieser Effekt (Spulen überbrücken) tritt nur bei dieser einen Spule auf wo lautes Rauschen wie auf MW zu Höhren ist.
Ich Denke dass diese eine Spule ihren Geist aufgegeben hat, aber ist das auch der Grund für die Fehlende Rückkopplung?
Lukas Radwallner, 12.Jun.13
Hallo. Ich suche schon seit längerem vegeblich nach einem originalen Tranformater für meinen 340W.Nun habe ich mich entschlossen diesen selbst nachzubauen. Hierfür möchte ich einen Eisenkern vom Typ EI78/28 mit Einkammerwickelkörper verwenden. Dieser hätte nach meiner Tabelle eine Leistung von 36VA. Primärseitig ist alles eindeutig, 230V mit jeweiligen Abgriff für für den Spannungswähler. Bei der Sekundärwicklung gibt es aber Probleme. Im Schaltplan sind leider keine Angaben für die Anodenspannung am Gleichrichter vohanden. Laut RTT-Tabelle verträgt die Gleichrichterröhre maximal 250V bei 25mA. Da ich mich bei Gleichrichterröhren nicht so gut auskenne, weis ich nicht welcher Spannungswert der Transformator nun haben soll. Kann mir da jemand weiterhelfen? Oder einfach mal an einem funktioniernden Gerät die Spannung messen.
Viele Grüsse Hans.
Hans Kuhn, 07.Apr.09
Peter
Pièces jointes
- mykatzenkopf (78 KB)
Peter Hughes, 07.Nov.05
wer kann helfen ? Ich suche ein gutes Foto einer gut erhaltenen Rückwand. An meinem Gerät hat der Rost den kompletten Aufdruck zerstört und so könnte ich "rein informativ" das Foto (oder auch PDF-Schema ?) hinten am Gerät anbringen, weil ich sie nicht gegen eine nachgebaute bzw. neu bedruckte austauschen möchte.
Viele Grüße
Lutz Jänicke
Lutz Jänicke, 07.Apr.05
Franz-Josef Haffner, 28.Jun.03
Vladimir Fiala, 30.Aug.02